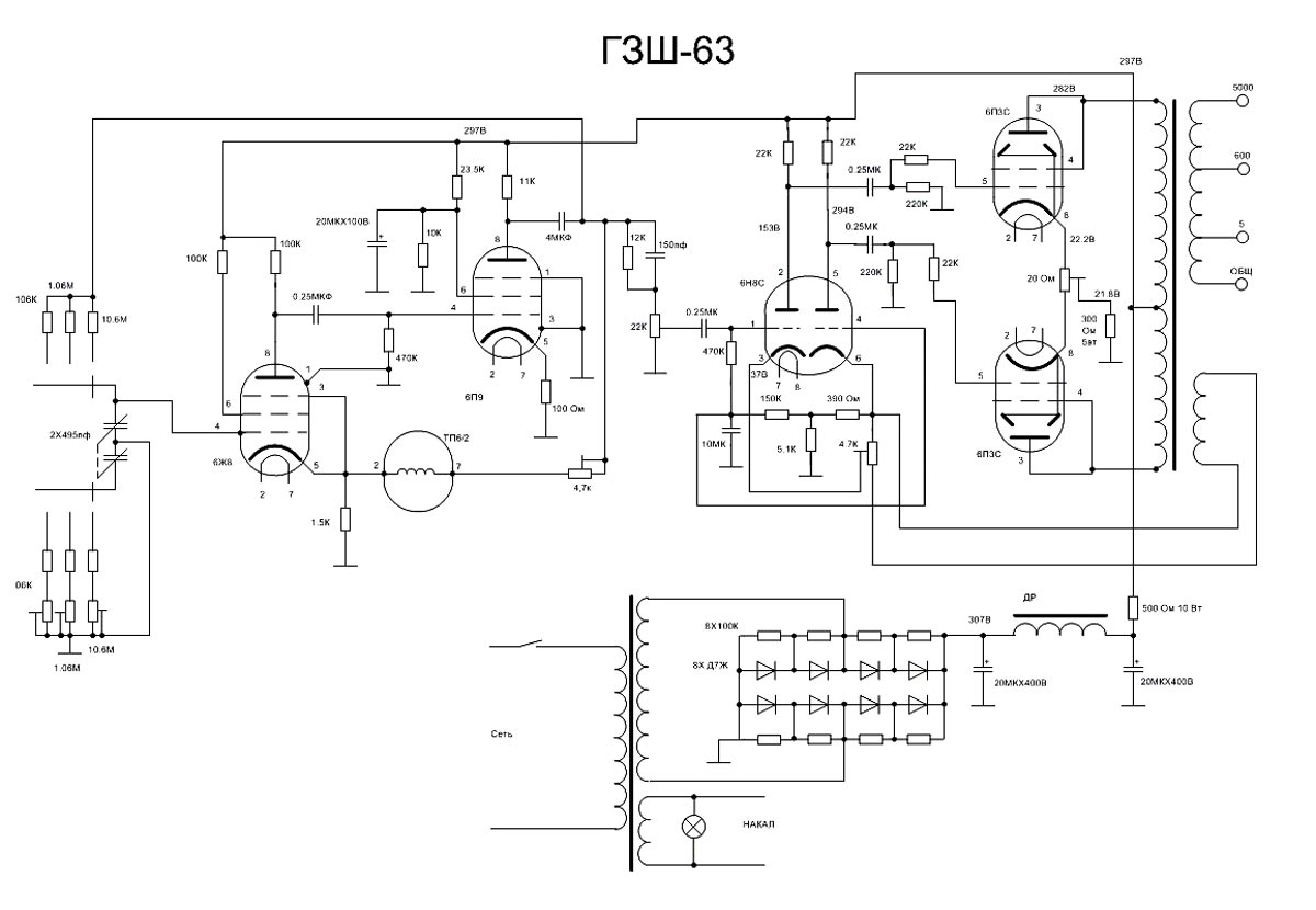
Генератор звуковой (школьный) *ГЗш-63* выпускал с 1963 года Московский завод *Физэлектроприбор*. Генератор предназначен для учебных заведений и организаций. Диапазон звуковых частот 20...20000 Гц перекрывается тройным множителем значений х1, х10 и х100 Гц. Выходное напряжение плавно регулируемое. Имеется 3 выходных разъёма с сопротивлениями выхода (нагрузки) в 5 Ом, 600 Ом и 5 кОм. Подробнее о генераторе *ГЗш-63* в книге.