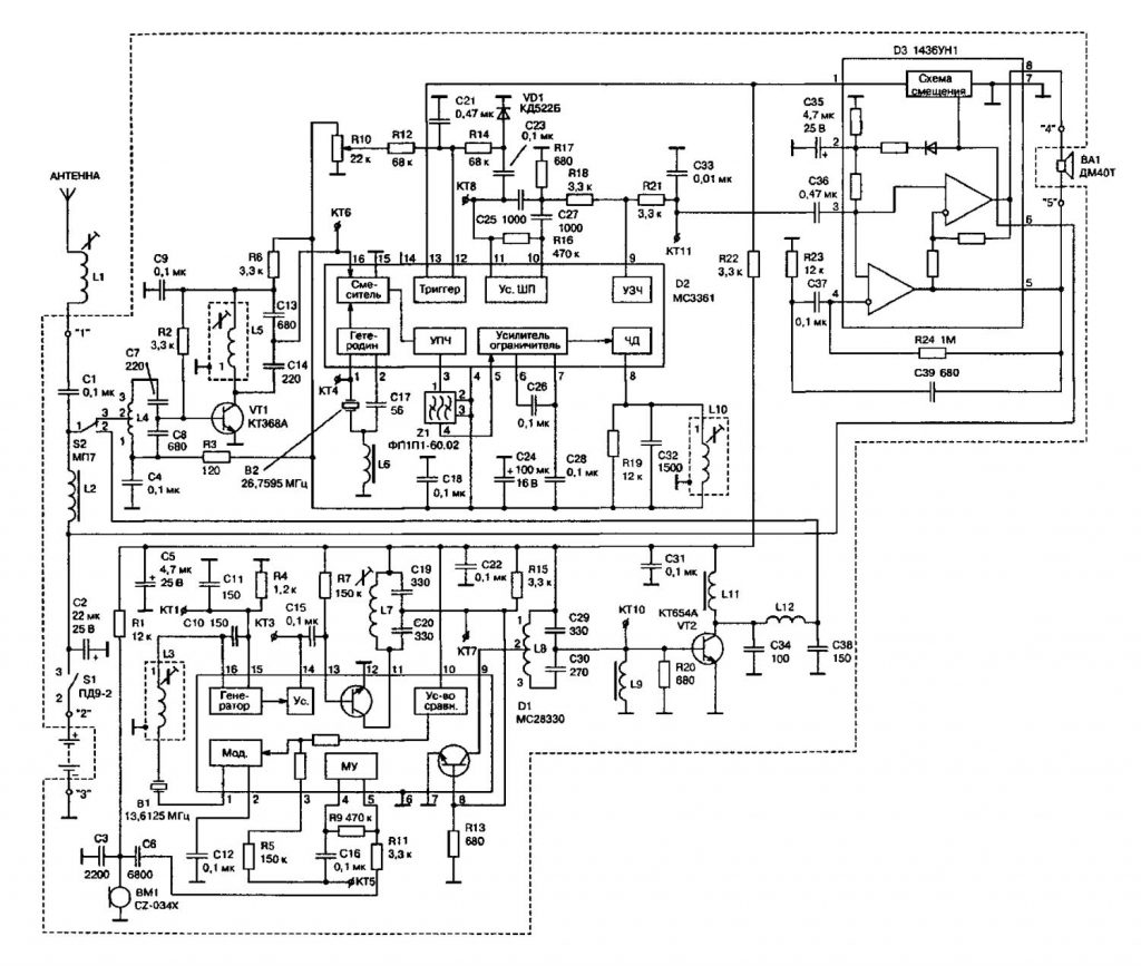
Детская радиостанция *Колибри* выпускалась с 1990 года. Радио-игрушка *Колибри* представляет собой малогабаритную ультракоротковолновую радиостанцию малого радиуса действия. С её помощью можно поддерживать радиосвязь с такой же игрушечной радиостанцией телефоном или телеграфом (азбукой *Морзе*). Радиус действия 70 м; рабочая частота 27, 14 МГц; источник питания - батарея *Крона*; габариты радиостанции 152х70х27 мм; масса 190 г. Цена 20 рублей 50 копеек. В 1991 года завод начал выпуск модернизированной радиостанции *Колибри-М*, а в 1992 году *Колибри М-1*. Об этих 2-х радиостанциях подробной информации пока нет.