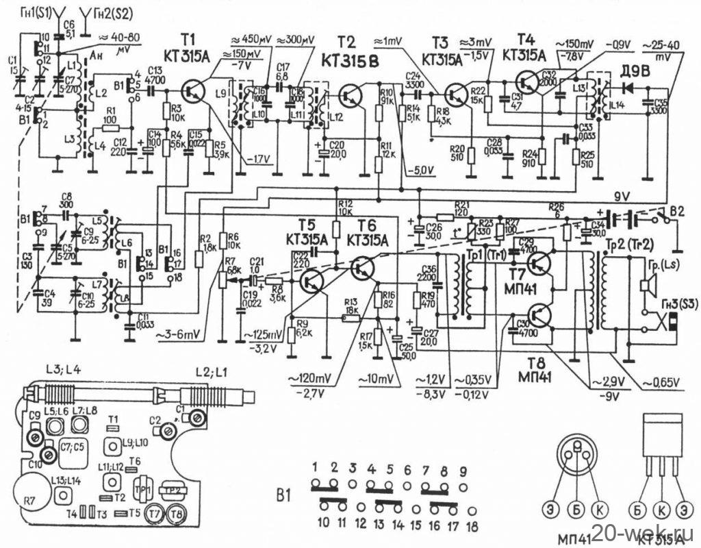
Портативный транзисторный радиоприёмник *Селга-405* с 1977 года выпускал Рижский радиозавод *Радиотехника*. Название Selga в переводе с Латышского— открытое море. Радиоприёмник **Селга-405** выполнен на базе приёмника **Селга-404** и кроме изменённой решётки громкоговорителя по электрической схеме, параметрам и конструкции от него не отличается. Чувствительность: в ДВ диапазоне - 1,2 мВ/м, СВ - 0,6 мВ/м. Избирательность - 26 дБ Диапазон частот - 315-3550 Гц Номинальная выходная мощность - 300 мВт Питание от «Кроны», батареи аккумуляторов 7Д-0,1 или 6 элементов 316, размеры — 190×100×46 мм, масса — 0,7 кг. Цена модели «404» — 32 рубля 67 копеек, «405» — 29 рублей. Корпус приемника изготавливался из пластмассы разных цветов. Пожалуй, это самый массовый радиоприемник завода, их сделано более 7 млн. штук. Всего же радиоприемников Selga всех моделей выпущено до конца 1985 г. около 13,9 млн. Экспортный вариант выпускался также с названием VEGA.