Bye Now
Facebook
Twitter
Google+
New
Coffee Chef
Bye Now
Baking Breads
Bye Now
Most Populer
Chocolate Cake
Bye Now
French Croissants
Bye Now
Best Sell
Donuts Cake
Bye Now
Ice Crem
Bye Now
Home
Ice Cream Shop
Cake Shop
Coffe Shop
Bread Shop
OnePage Home
RTL Home
Header Style
Header Style 01
Header Style 02
Header Style 03
Shop
Shop Page 01
Shop Page 02
Shop Details
Cart Page
Checkout Page
Pages
About Us
Our Services
Gallery Page 01
Gallery Page 02
Gallery Page 03
Our Team
Our Menu
Testimonials
Faq's
404
Elements
Elements 1
About Block 01
About Block 02
Service Block 01
Service Block 02
Shop Block 01
Shop Block 02
News Block 01
News Block 02
Elements 2
Feature Block 01
Feature Block 02
Project Block 01
Project Block 02
Team Block 01
Team Block 02
Testimonial Block
Clients Block
Blog
Blog Grid
Blog Masonry
Blog Standard
Blog Details
Contact
3
3
Contact Info
Chicago 12, Melborne City, USA
+88 01682648101
info@example.com
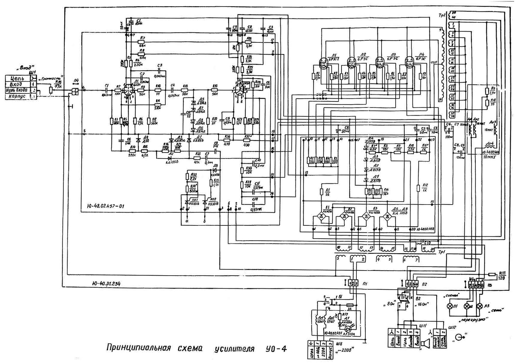
Усилители
УО-4
on 02 Dec, 2025
/
by admin
Усилитель вокальный *УО-4* (ЛОМО) выпускался возможно с 1987 года Ленинградским оптико-механическим объединением имени В.И.Ленина.
Галерея
Search
Categories
Абонентские громкоговорители
Автомобильная радиоаппаратура
Акустика и Усилители
Акустические системы
Антенны
Аппаратура ДУ
Видеомагнитофоны
Видеотелевизионная техника
Вычислительная техника
Генератор
Дозиметры
Источники питания
Кассетные магнитолы
Кассетные проигрыватели и магнитофоны
Ламповые
Литература
Любительские
Магнитолы автомобильные
Магнитофон приставка Катушечный
Магнитофоны
Магнитофоны и магнитолы ламповые и гибридные
Магнитофоны кассетные
Микрофоны
Музыкальные инструменты
Мультиметры
Наушники
Осциллографы
Полупроводниковые
Приборы
Приёмо-передающая аппаратура
Проигрыватели
Проигрыватели компакт-дисков
Радиолы п/п портативные
Радиолы п/п стационарные
Радиолы сетевые ламповые
радиометры
Радиоприемники
Радиоприёмники детекторные
Радиоприёмники п/п портативные
Радиоприёмники п/п стационарные
Радиоприёмники сетевые ламповые
Разное
Специальная аппаратура
Специальные
Телевизоры цветные
Телевизоры чёрно-белого изображения
Трёхпрограммные
Усилители
Цветомузыкальные приставки
Часы
Эквалайзеры
Электропроигрыватели и ЭПУ
Электрофоны
Recent Posts
Альпинист
02 Dec, 2025
Харьков
02 Dec, 2025
Томь-303
02 Dec, 2025
Tags
0
1
100АС-002
100АС-060
100У-101
102И
10АС-201
10АС-203
10АС-221
10АС-229
10АС-231
10АС-232
10АС-248
10АС-318
10АС-328
10АС-401
10АС-412
10АС-413
10АС-7
10АС-9
10ГДН-1
10ГЛ-9
10ГРД-5
10Н-15
10РТ
130АС-002
13Н-1
15-ГД-III-1
150АС-001
150АС-007
150АС-009
150АСАТ-001
15АС-1
15АС-109
15АС-201
15АС-201-1
15АС-204
15АС-205
15АС-208
15АС-213
15АС-214
15АС-218
15АС-221
15АС-222
15АС-225
15АС-303А
15АС-307
15АС-315
15АС-4
15АС-407
15АС-408
15АС-6
15КЗ-1
15КЗ-2
15КЗ-8
17ТН-1
180АС-001
19А-19
1КЗ-7
2
2-ГМ-lV-2
200АС-003
20АС-2
20РТП
23ТН-4
25
25 ГДШ-1Л
25-ГД-III-1
25-ГД-III-2
25-ГД-III-3
25-ГД-III-6
25АС-027
25АС-033
25АС-03А
25АС-109
25АС-109-1
25АС-121
25АС-126
25АС-128
25АС-131
25АС-132
25АС-16
25АС-202
25АС-307
25АС-311
25АСА-11
25АСЭ-101
25ГД-III
25ГД-III-2
25ГДШ-1Л
25И
25КЗ-12Е
25КЗ-20
28ИМ
2АС-2
2КЗ-3Д
2КЗ-7
3
3-ПЭМ-5
30А-188
30А-230
30АС-101КЕ
339
35АС-001
35АС-008
35АС-012
35АС-013
35АС-015
35АС-016
35АС-018
35АС-021
35АС-024
35АС-028
35АС-028-1
35АС-029
35АС-1
35АС-105
35АС-130
35АС-201
35АС-202
35АС-211
35АС-213
35АС-216
35АСДС-017
3АС-2
3АС-3
3АС-303
3АС-305
3АС-312
3АС-5
3АС-503
3АС-509
3Б-17
3ГД-3МА
40 л. осв. Украины
43103/2
43109
43302
4АС-1
4АС-3
4АС-4
4Н-1
4НБС-6
4ПБ-10
4ПБ-10М
4Р-02
5
5-ГД-2М
5-ГД-II-1
50 лет СССР
50АС-001
50АС-012
50АС-022
50АС-024
50АС-061М
50АС-105
50АС-106
50АС-125
50АС-5
50РТМ-А2-ЧМ
5Н-8
5НР-3
5НС-20
5НУ-8
6 К3-2
60 лет СССР
60И
62Р1
6АС-1
6АС-15
6АС-2
6АС-213
6АС-221
6АС-224
6АС-320
6АС-322
6АС-416
6АС-503
6АС-508
6АС-511
6АС-9
6АСШ-1
6АСШ-4
6Н-1
6Н-19
6Н-25
6ПБ-11
75АС-001
75АС-065
75АС-128
75АС-3-001
75АСП-101
7Н-27
82А-11
82А-5М
82А-9
8АС-1
8АС-2
8АС-2А
8АС-3
8АСА-09
90АС-001
90У-2
9Н-4
A-11
Abava РП-8330
Abava РП-8332
Abava-252
Abava-253
Alfa RR-301
Alfa RR-401
Astrad
Aэлита-101
B4-24/1
Bakelitas
Balsas
Balsas-2
Banga 16ТБ-404-1
Beгa M-420C
Chayka VC-50D
Crosna
Cиpиyc-308
Daewoo-Позитрон
Daewoo-Позитрон DVR-4561D
ELE-10
Electronika RM-201
Elfa RCTR-234
EPHER RP-201
Fantasia-249
FEILANG
Horizont 51/54-CTV-655-2
Horizont 61CTV-518D
Iceberg CDP-001
Iseberg CDK-90PR
Ivolga
Iква РП-202
Kandava
Karpaty Diora CD-0421
Kashtan
Kashtan-1
Kokle
L60M3348
Leningrad-004
Lider-605
LIETUVA
LUKON-37CR
LUKON-406R
M-888
Marion CDP-610
MERLIN
Neywa-2
Nitel VC-55
Omega TV CTV-519
Orbiter-403DE
Paradise
Philips CDV-495
Pradas М-303С
Punane RET VV-662
Punane-RET VV-661
Punane-RET VV-663
Radiotehnika FA-7150
Radiotehnika ML-6314
Radiotehnika-625
Rahu
RCL
Reaton PCD-121S
Reaton PCD-123S
Reaton PCD-124S
Regatt
Rigonda-Bolshoi
Riporter-7/А
ROKMAN
Romantika_Sports
S-20B
S-50B
S-90B
S-90D
S-90F
S-90K
Salena-216
Salena-219
Salena-220
Selena
Selena B-210
Selena B-212
Selena B-215
Selena B-216
Selena-223
Selga R-8310
Selga R-8320
Siboney-241
SIGMA-262
SILELIS-37CR
Sonor RR-202-01
Spektr VM-97
T-834
Unda RP-202
Unda-201
VEF Siringa РМ-290С
VEF Siringa-390С
VEF-287
Vefsuper M-517
Vega-206S
Venta
Verfonta-280
Victoria
Vilma-Stereo
Vilnis
Vilnius
А-12
А-13
А-13М
А-17
А-18С
А-207
А-271
А-271М
А-275/Э
А-279-стерео
А-3
А-324
А-327
А-370
А-373
А-373Б
А-4
А-5
А-601
А-695
А-8
А-9
А10-1
А4-М2
АА-1
Абонентские громкоговорители
АВ-2403У
АВ-68
АВ-75
Авангард
Авангард-55
АВО-5М
АВО-63 Школьный
Аврора
Аврора-Стерео
Автокассета-201
автомагнитола
Автомобильная техника
Автомобильный приёмник
Автоприёмник
Автостетоскоп
Автотестер "А-1"
автотрансформатор
Агат
Агидель МП-302С
Агидель ПКД-001С
Агидель УМ-001С
Агидель-301
АГУ-10-3
АГУ-10-4
Адажио
Адмирал
Азамат РМ-204С
Азамат-202
АИ-656
АИ-668
Айдас
Айдас-9М
Айчурек
АК-1
АК-5М
Акация
Аквамарин
Аквилон
Аккорд
Аккорд-001-стерео
Аккорд-2
Аккорд-201
Аккорд-201-стерео
Аккорд-202
Аккорд-203
Аккорд-М
Аккорд-Стерео
акустика
Акустическая система-1
АЛ-2
Ала-Тау
Ала-Тау-301
Алагир-6100
Алатау-201
Алёнушка
Алёша
Алиса
Алиса-1377
Алиса-1387
Аллегро-002-стерео
Алма-301
Алма-Ата
Алмаз
Алмаз-101
Алмаз-105
Алмаз-201
Алмаз-202
Алмаз-401
Алмаз-М
Алтай
Алтай 16ТБ-403
Алтай 40ТБ-306
Алтай 40ТБ-308
Алтай МТ-401Д
Алтай П-301СА
Алтай РМ-302С
Алтай-3
Аля
АМ-301
АМ-302-стерео
АМ-303
АМ-378
АМВ
Аметист
Аметист Р-301
АМЗ-6А
Амур
Амур-2
Амфiтон-Taxo
Амфитон
Амфитон 25У-002С
Амфитон 25У-202С
Амфитон 35У-101С
Амфитон 35У-202С
Амфитон 50УМ-104C
Амфитон 75У-101С
Амфитон A1-01C
Амфитон ВП
Амфитон ВП-201
Амфитон М-028
Амфитон МП-103С
Амфитон П-02С
Амфитон П-401С
Амфитон П-402С
Амфитон РМ-211С
Амфитон РМЛП-201С
Амфитон РМЛП-207С
Амфитон РП-210
Амфитон РП-303
Амфитон РП-304
Амфитон РП-306
Амфитон ТМ-01
Амфитон У-002C
Амфитон У-002МC
Амфитон У-101-1С
Амфитон УП-003C
Амфитон Э-005С
Амфитон-150УМ-108С
Амфитон-201-стерео
Амфитон-301
Амфитон-501-Видео
Амфитон-Микро
Амфитон-МР
Амфитон-МС
Ангара
Ангара-1
Ангара-67
Ангстрем-ОН
Анри-01
АНС
Антенны
Анюта
АПБ-1000
АПБ-400
АПБ-630
АПВ-60
АПВ-61-2-Т
Апогей ПТ-207
Апогей-204
Апогей-301
Апогей-302
Апогей-306
Апогей-М
АПУ-1
АР-108
Араз
АРБ-250
АРБ-400
Арго П-401С
Арго РМ-006С
Арго-002-стерео
Аргонавт 10УМЭ-01СА
АРЗ-40
АРЗ-49
АРЗ-51
АРЗ-52
АРЗ-54
Ария ЭФ-5208С
Ария ЭФ-5303С
Ария-102-стерео
Арктур-001C
Арктур-003 стерео
Арктур-004-стерео
Арктур-005-стерео
Арктур-005С
Арктур-006-стерео
Арлекин-Д
Арман-301
Арман-302
АРН-250
АРН-400
АРС-1
Арта-001-120
Артек
Артон ВС-34
Артон ИК-50
Арфа
Арфа-301
АРЦ-01
АС 80-2-1
АС-082
АС-1
АСБ-0
Ассоль
Ассоль РП-201
Астра
Астра М-113С
Астра МК-111С
Астра-110-1-стерео
Астра-110-стерео
Астра-2
Астра-205
Астра-207
Астра-208-стерео
Астра-209-стерео
Астра-4
Астра-5
АТ-0
АТ-1
АТ-2
АТ-3
АТ-3М
АТ-63
АТ-64
АТ-66
АТК
АТК-1
АТК-12-1
АТК-12-III
АТК-12-IV
АТК-12Н
АТК-2
АТКД-2
АТКЛ-12
Атлант
Атмосфера
Атмосфера-2
Атмосфера-2М
АТН-5.14
АТН-5.3
АТН-5.5
АТН-5.7
АТН-6
АТП-1
АТП-62
АТР-250
Аусма
АШ-2М
Ашура-4М
Аэлита
Аэлита М-308 Стерео
Аэлита М-309С
Аэлита М-312 Стерео
Аэлита МП-305С
Аэлита МП-7210С
Аэлита РМ-204C
Аэлита РМ-208-стерео
Аэлита РП-216
Аэлита РС-1
Аэлита-102
Аян-301
Аян-301М
Б-2
Б-378
Б2-1
Б2-2
Б2-4
Б5-10
Б5-21
Б5-29
Б5-30
Б5-31
Б5-32
Б5-43
Б5-43А
Б5-44А
Б5-7
Б5-70
Б5-8
Б7-4
Байкал
Байкал-М
Баку
Баку 6С-48
Баку-55
Баку-58
Балтика
Балтика М-254
Балтика Р3-1
Балтика-101-стерео
Балтика-52
Банга
Банга 32ТЦ-402Д
Банга-2
Барк 50У-068С
Барк-001C
Батискаф
Башкирия
БВ
Беларусь
Беларусь 7-2
Беларусь М-310С
Беларусь М-410С
Беларусь Р-101Л
Беларусь РМ-220С
Беларусь ТР-210Л
Беларусь-1
Беларусь-103Л
Беларусь-110
Беларусь-2
Беларусь-3
Беларусь-301
Беларусь-302
Беларусь-303
Беларусь-4
Беларусь-5
Беларусь-53
Беларусь-57
Беларусь-59
Беларусь-6
Беларусь-62
Беларусь-62С
Беларусь-7
Беларусь-Б
Белгород РП-201
Белла
Берёзка
Берёзка 23ТБ-401Д
Березка 37ТЦ-5141Д
Березка 37ТЦ-601Д
Берёзка 51ТЦ-311Д
Берёзка 51ТЦ-487Д-1
Березка 51ТЦ-5141Д-1
Берёзка 61ТЦ-487Д-1
Берёзка Ц-201
Берёзка Ц-202
Берёзка Ц-202-1
Берёзка Ц-203
Берёзка Ц-208
Берёзка Ц-281/Д
Берёзка-205
Берёзка-206
Берёзка-208
Берёзка-209
Берёзка-210
Берёзка-212
Берёзка-213
Берёзка-215
Берёзка-216
Берестье
Берестье П-402С
Берестье РМ-304С
Берестье Т301
Берестье Т302С
Бештау
БИ-234
Бим-Бом
Бири-2
Бирюза
Бирюза-202-стерео
БК-1ВМ
БЛ-2
Блик-1
Блик-2М
Блок индикации
Блокнот
Блюз РП-201
Блюз РП-203А
Блюз-301
Блюз-Н РП-202
БП 10-12
БП-9/5
БП-9В
БП2-3
БПНС-4
БПС-220/127-9/12
БПСУ
БПУ-77
Бриг-001C
Бригантина
Бриз П-080
Брянск
Брянск-301
БС-2
БСП-5
БТ
Будёновец
Буковина
Буратино
БЧ
БЧ-2
БЧ-З
БЧ-К
БЧ-Н
БШ
Былина РМ-317СА
Былина РП-201
Былина РП-320А
Былина-203-стерео
Былина-207
Былина-209
Былина-211С
Былина-310
Былина-315
Бэто РП-212
Бэто РП-218
Бэто РП-219
Бэто-М
В-10
В-24
В-50
В2-3
В3-10А
В3-13
В3-1RМ2И
В3-25
В3-3
В3-38
В3-4
В3-40
В3-57
В4-2
В6-2
В7-15
В7-2
В7-36
В7-38
В7-58
Вeгa-001-стерео
Вeгa-003-стерео
Вайва
Вастома
Вега
Вега 25У-122С
Вега 50У-124С
Вега 50У-126С
Вега КД-002С
Вега М-410С
Вега МП-120-стерео
Вега МП-122-стерео
Вега МП-126С
Вега МЭ-121С
Вега П-410С
Вега П-420С
Вега ПКД-121С
Вега ПКД-122С
Вега ПКД-122С-2
Вега ПКД-122С-5
Вега ПКД-124С
Вега ПКД-126С
Вега ПМП-132СКВ
Вега РМ-235С
Вега РМ-238С-2
Вега РМ-250С
Вега РМ-250С-2
Вега РМ-250С-5
Вега РМ-251С
Вега РМ-252С
Вега РМ-253С
Вега РМ-255С
Вега РП-240
Вега РП-241-1
Вега РП-243
Вега РП-245С
Вега РП-245С-2
Вега РП-246С
Вега РП-247
Вега РП-247-1
Вега РП-248
Вега РЭ-301-стерео
Вега Т-124С
Вега ТМ-122С
Вега У-120С
Вега ЦЗЛП-003
Вега ЭП-122-стерео
Вега ЭП-123-стерео
Вега-002-стерео
Вега-004-стерео
Вега-101-стерео
Вега-103-стерео
Вега-104-стерео
Вега-106-стерео
Вега-108-стерео
Вега-109-стерео
Вега-110-стерео
Вега-112-стерео
Вега-114-стерео
Вега-115-стерео
Вега-117-стерео
Вега-118-стерео
Вега-119-стерео
Вега-120-стерео
Вега-122С
Вега-124С
Вега-126С
Вега-2
Вега-206-стерео
Вега-300-стерео
Вега-312-стерео
Вега-313
Вега-315
Вега-315М
Вега-317
Вега-319-стерео
Вега-320
Вега-321-стерео
Вега-323-стерео
Вега-324
Вега-325-стерео
Вега-326
Вега-327
Вега-328-стерео
Вега-331
Вега-335-стерео
Вега-340
Вега-341
Вега-341-1
Вега-402
Вега-404
Вега-407
Вега-7
Вега-70
Вега-9
Вега-ЗЗЗ-стерео
Вега-ЛП-007C
Веда-ЧМ
Вектор-антирадар
Венец
Венец-02
Венец-1
Верас 23/31WT-410E-D
Верас 31ТБ-511
Верас 37ТС-601/Т
Верас РП-225
Верас РП-230
Верас РП-240
Верас РП-311С
Верас РП-313
Верховина
Верховина-А
Верховина-Б
Верховина-С
Весёлка
Весёлые лягушки
Весна
Весна 40ТБ-410/Д
Весна 50ТБ-305/Д
Весна ВМ-32
Весна ВМЦ-1
Весна ВМЦ-4
Весна М-212-1
Весна М-212С-3
Весна М-212С-6
Весна М-212С-7
Весна М-212С-8
Весна М-310С-1
Весна М-310С-2
Весна М-330С
Весна МЛ-6321С
Весна НТ-Р91С
Весна П-212С
Весна П-401C
Весна П-404С
Весна П-405С
Весна РМ-335С
Весна ТБМ-С
Весна Ц-276/Д
Весна Ц-381/Д
Весна-001-стерео
Весна-101-стерео
Весна-102-стерео
Весна-2
Весна-201-стерео
Весна-202
Весна-202-1
Весна-204
Весна-205
Весна-205-1
Весна-205-2
Весна-207-стерео
Весна-210
Весна-211-1 стерео
Весна-211-стерео
Весна-212-стерео
Весна-215/Д
Весна-216/Д
Весна-225-стерео
Весна-3
Весна-301
Весна-302
Весна-304
Весна-305
Весна-306
Весна-307
Весна-308
Весна-309
Весна-310С
Весна-330С-2
Весна-346/Д
Весна-5
Весна-710
Весна-711/Д
Весна-Корвет АТ-002
Весна-М
Весна-Стерео
Веспер ПТ-305
Вестник АГ-306
Вестник ПТ-310
Вестник РП-241-1
Вестник РП-241-5
Вестник РП-301
Вестник-305
Вече 25ТЦ-405Д
Вечер
Взор
ВЗУ Жигули
Видеоспорт
Видеоспорт-3
Видеоспорт-М
Видеотелевизионная техника
Видеотест-2М
Визит
Визит-М
ВИК-1
Виктория
Виктория-001-стерео
Виктория-002-стерео
Виктория-003-стерео
Виктория-003М
Виталка
Вития
Витурис
Витязь
Витязь 34ТБ-401Д
Витязь 34ТБ-401Д-2
Витязь 51ТЦ-346Д
Витязь 51ТЦ-5107Д
Витязь 51ТЦ-6020/30
Витязь ПТМ-212
Витязь ПТП-212-1
Витязь ТСТ-001
Витязь ТСТ-002
Витязь Ц-222
Витязь Ц-281Д1
Витязь Ц-381/Д
Витязь-302
Витязь-722
Витязь-728
ВК-1/2
ВК7-3
ВК7-4
ВК7-6
ВК7-9
ВКС-7Б
Владимир
ВЛУ-2
ВМ Ломо-403
ВМ-70
ВМ-75К
ВМ-85К
ВОК-2
Волга
Волга-3
Волга-67
Волна
Волна 23/31/34ТБ-410Д
Волна ЭФ-307-С-1
Волна-307-стерео
Волна-801
Волна-I
Волна-К
Волна-М
Волхов
Волхов-3
Волхов-А
Волхов-Б
Волхова
Волхова РП-202-1
Волхова РП-203
Воронеж
Воронеж-401
Воронеж-58
Воронеж-6
Восток
Восток Р-48
Восток-49
Восток-57
Восход
Восход-2
Восход-303
Восход-308
ВП-1
ВП-2
ВП-3
ВР-11
ВРК
ВРП-60
ВС 4-12
ВС-24
ВС-24М
ВСА-10А
ВСА-5К
Всесвiт
ВСП-30
ВСШ-6
ВУ
ВУ-15
Вулкан
Вуометр
ВУП-2
ВУП-30
ВУП-30Н
ВЧ транзисторы "Комплект №3"
Вымпел
Вымпел М-401
Вымпел М-421
Выпрямитель
ВЭЛС 51ТЦ-492/М
ВЭЛС 54ТЦ-492
ВЭО
ВЭФ
ВЭФ М-1357
ВЭФ М-697
ВЭФ Р3-1
ВЭФ СУПЕР M-557
ВЭФ Транзистор-17
ВЭФ-101С
ВЭФ-12
ВЭФ-201
ВЭФ-202
ВЭФ-202М
ВЭФ-204
ВЭФ-206
ВЭФ-214
ВЭФ-216
ВЭФ-221
ВЭФ-222
ВЭФ-242
Вэф-260-2
Вэф-260-Сигма
Вэф-284-стерео
ВЭФ-317
ВЭФ-Аккорд
ВЭФ-Радио
ВЭФ-Рапсодия
ВЭФ-Спидола
ВЭФ-Спидола-10
ВЭФ-Транзистор
ВЭФ-Транзистор-10
ВЭФПЕР-45
Г-2
Г2-1
Г2-32
Г2-37
Г2-57
Г2-59
Г3-102
Г3-10А
Г3-111
Г3-118
Г3-121
Г3-18
Г3-26
Г3-33
Г3-36
Г3-39
Г3-56
Г3-7А
Г3-8А
Г4-102А
Г4-116
Г4-151
Г4-158
Г4-18
Г4-1А
Г4-37А
Г4-42
Г4-6
Г4-70
Г4-7А
Г4-93
Г5-15
Г5-6А
Гайворон
Гайна
Гайна Р-301Л
Галактика
Галактика РМ-201С
Гамма
Гамма 16ТБ-427
Гамма-В
Гармония-25
Гармония-70
Гармония-70м
Гародня РП-202
Гауя
ГБ-8
ГВ-1
ГД-0
ГДТ-1
Гелиос-001-стерео
Гелиос-006С
Гелиос-02
Гелиос-1500-2
Генератор звуковой частоты
Геолог
Геолог-2
Геолог-3
Гжатск
ГЗ-1
ГЗ-2
ГЗШ-63
Гиала
Гиала-303
Гиала-310
Гиала-402
Гиала-404
Гиала-407
Гиала-410
Гинтарас
ГИР
ГИР-1
ГИР-2
Гирлянда ЦМ
ГИТС-1М
Глет
ГМВ
Гном
Гномик
ГНЧР-2
Голосок
Гомель
Гомель-001-стерео
Горизонт
Горизонт 51ТЦ-404Д
Горизонт 51ТЦ-418Д
Горизонт 51ТЦ-460Д
Горизонт 51ТЦ-510Д
Горизонт 51ЦТВ-518Д
Горизонт 61ТЦ-305Д
Горизонт 61ТЦ-401Д
Горизонт 61ТЦ-411/Д
Горизонт 61ТЦ-416
Горизонт 61ТЦ-470
Горизонт РП-270
Горизонт Ц-240
Горизонт Ц-250
Горизонт Ц-255
Горизонт Ц-256
Горизонт Ц-257
Горизонт Ц-261/Д
Горизонт Ц-355/Д
Горизонт Ц-381/Д/И
Горизонт-101
Горизонт-104
Горизонт-106Д
Горизонт-115
Горизонт-201
Горизонт-204
Горизонт-206
Горизонт-209
Горизонт-215
Горизонт-219
Горизонт-220
Горизонт-234
Горизонт-701
Горизонт-723
Горизонт-728/Д
Горизонт-736/Д
Горный аул
ГП-46
ГР-4
ГР-9
ГР-Д
Граммофон
Гранат
Гранит
Гранит-М
Грач
ГРН-1
ГРН-2
ГРН-3
Гродно РМ-304СА
Гродно РМ-306СА
Гродно РМ-310СА
Гродно РМ-311СА
Гродно РМ-312СА
Гродно-208-стерео
Гродно-302-стерео
Гродно-Р
Гроза
Громкоговоритель
ГС-300
ГСП-1
ГСС-6
ГСС-6А
Гудок
ГУК-1
Д-11
Д-2
Д-3
Д-533
Д1-9
ДАГ-1
Дайна
Данко РП-201
Данко РП-301-мини
Дар
Даугава
ДБГ-04а
ДВ-3
ДВ-4
ДВ-5
ДВ-7
дверной звонок
Двина
ДГМ
ДГС-0
ДДЯ-01
Дебют
Дербент
Десна
Детский радиоприёмник
Детский телеконструктор
Джаз-4
Джаз-5
Дзиесма
Дзинтарс
Диана П-406С
Диана-Стерео
Диапазон
Диктор
Дили
Диптон
Диско
ДК-0
ДЛ-1
ДЛ-3
ДЛС-2
ДМГ-2
Днiпро 50ТБ-305/Д
Днiпро-11
Днiпро-11М
Днiпро-12М
Днiпро-12Н
Днiпро-12П
Днiпро-14А
Днiпро-2
Днiпро-350/Д
Днiпро-52
Днiпро-58
Днiпропетровськ
Днепр
Днепр-1
Днепр-10
Днепр-2
Днепр-3
Днепр-5
Днепр-8
Днепр-9
Днепропетровск
До-Ре-Ми
Дозиметры
Дойна-001-100
Домбай-203
Домбай-306
Дон
Дон-103
Дон-203
Донбасс
Донбасс АГ-308
Донбасс-2
Донбасс-301
Донбасс-302
Донбасс-304
Донбасс-305
Донбасс-306
Донбасс-307
Донбасс-4
Донец
Дорожный
ДП
ДП-1-А
ДП-1-Б
ДП-11-А
ДП-2
ДП-22-В
ДП-3А-1
ДП-5
ДП-5А
ДП-63
ДПЗ
ДПХ
ДРГ-01Т1
ДРГБ-90
ДРГЗ-02
Дружба
Дружок
ДТ-0
ДТ-1
ду
ДУЭТ
Дуэт МЛ-8101С
Дуэт ПМ-8401С
Дуэт-200
Дуэт-стерео МЛ-8101
ДХ-2
ДХ-5
Е12-2
Е4-5А
Е6-2
Е7-18
Е7-4
Е7-5А
Е7-8
Енисей
Енисей-2
Енисей-3
Ермак
Жаворонок
Жигули
Жигули-59
Жук
Забава
Закарпатье
Закарпатье ПТ-301
Занимательные опыты по физике ЭК №4
Занимательные опыты по электричеству РК №4
Зарница
Заря
Заря-2
Заря-М
Застава
Зауралье
Звезда
Звезда РМ-204СА-3
Звезда-204-стерео
Звезда-54
Звёздный
Звёздочка
звонок
звонок дверной
Звонок с мелодичным боем
Звук
Звук-1
Звучащая нотная азбука
ЗГ-11
ЗГ-2А
Зенит
Зенит-301
Зенит-305
Зерон
ЗИК
ЗИМ-1
ЗИФ-2
ЗК
Знамя
Знамя-58
Зодиак
Зоря
ЗПУ-9/0
ЗУ
ЗУ-01
ЗУ-1
ЗУ-3
ЗУ-3Д-0
ЗУ-3М
ЗУ-430
ЗУ-5
ЗУ-63
ЗУ-69
И-37
ИВ-4
Иверия Ц-202
Иверия Ц-208
Иволга-66
ИВП-2
ИВП-3
Игрушка УНЧ
ИД-1
ИЖ М-306С
ИЖ РМ-207С
ИЖ-302
ИЖ-303-стерео
ИЖ-305-стерео
Ижевск
Изохрон
Изумруд
Изумруд 61ТЦ-311
Изумруд 61ТЦ-4212Д
Изумруд Ц-276/Д
Изумруд-1
Изумруд-201
Изумруд-202
Изумруд-203
Изумруд-204
Изумруд-205
Изумруд-207
Изумруд-209
Изумруд-232
ИК-2
Икар-303
ИКД-1
ИЛ-13
ИЛ-14
ИЛ-58
Илга-201С-1
Илга-301
Илга-302-стерео
Илга-320-Авто
Илга-Спектр
Иллюзия-4
ИМ1-2
Иммитаторы звук. эффектов
Империал 86В
Импульс ММ-04
Импульс-1
Импульс-20
Импульс-201-стерео
Импульс-80
Импульс-Авто
Имула РП-8310
Иней-302
Иней-303
Интеграл
Интервал-М
Иоланта
ИОНА
ИПД-1
ИПС-1
ИПСК-2
ИПТ-1
ИПУ
ИР-1
Ира-Б
ИРИ-1
Ирина
ИРПА
Иртыш
Искра-111М
Искра-2
Искра-201-стерео
Искра-49
Искра-52
Искра-53
Иссык-Куль-101-1С
Иссык-Куль-101С
Источники питания
Италмас
Ишим
Ишим-003
Ишим-003-2
Йошкар-Ола
К-2
К-509
К10К
КА-116
КА-226
Каданс С-12
Казак
Казань
Казань-2
Казань-3
Казань-57
Казахстан
Казахстан-101-стерео
Календарь
Календарь-информатор
Калибр-1
Калибр-2
Калибратор кварцевый
Калибри
калькулятор
Кама
Кама-61
Камертон
Камертон УС-20C
Камертон-А
Кантата
Кантата-203
Кантата-204
Кантата-205-стерео
Кантата-206-стерео
Кантата-М
Каравелла
Каравелла-201
Каравелла-201А
Каравелла-203-стерео
Каравелла-203С
Каравеллла-203
Карат
Карат Мини РП-301
Карат МП-302С
Карат УКВ РТ-1
Карат УКВ-РП
Карат УКВ-РТ
Карат-201-стерео
Карат-2Н/С
Карат-Кантри РП-201
Карат-М
карманный
Карманный радиоприёмник
Карпаты
Карпаты П-402С
Карпаты РП-201
Карпаты-202
Карпаты-205-1
Карпаты-207-стерео
Каскад
Каскад 34ТБ-432
Каскад 40ТБ-301/Д
Каскад 61ТБ-301
Каскад-225/Д
Каскад-230/Д
Каскад-234
Каскад-Микро РП-301С
Кассетные проигрыватели
Каштан
КВ
КВ-100
КВ-4
КВ-М
Квазар М-309С
Квазар П-405С
Квазар-303
Квазар-308С
Квант
Квант БПС-01
Квант РМ-293А
Квант РТ
Квант РТ-04
Квант-90
Кварц
Кварц 51ТЦ-310ДП
Кварц 51ТЦ-343Д
Кварц БП-1
Кварц РП-12
Кварц РП-201
Кварц РП-206
Кварц РП-209
Кварц РП-211
Кварц РП-214
Кварц РП-217
Кварц РП-306
Кварц Ц-202
Кварц Ц-208-1
Кварц-1
Кварц-17
Кварц-19
Кварц-20
Кварц-27
Кварц-3
Кварц-301
Кварц-302
Кварц-303
Кварц-306
Кварц-307
Кварц-308
Кварц-309
Кварц-34
Кварц-4
Кварц-401
Кварц-402
Кварц-403
Кварц-404
Кварц-405
Кварц-406
Кварц-407
Кварц-420
Кварц-5
Кварц-7
Квинтет
КВН-49-А
Кворум
КВП-1
КВП-1А
КВП-1Г
КВП-4А
КВП-5
Кедр ПТ-306
КЗРА
Киев
Киев Б-2
Киев-4
Киев-5
Киев-7
Київ
КИМ
Киптур-301С
Кировоград
Клавиола
Кливер МК-112С
Клубная
КМ-1
КМС-6
КМС-7
Книга-301
книги
КО-3
Кобзар
Колибри
Колибри ВП-101
Колибри-М
колонки
Колос
Комета
Комета М-226С
Комета М-230С
Комета МГ-201
Комета МГ-201М
Комета РМД-217С
Комета-118-стерео
Комета-120-стерео
Комета-206
Комета-209
Комета-211
Комета-212-1-стерео
Комета-212-стерео
Комета-212М-стерео
Комета-214
Комета-220-стерео
Комета-225-стерео
Комнатная антенна
Комплекты радиолюбителя
Комсомолец
конструктор
Конструктор тематический
Конструктор электронный №1
Континент
Контраст
Контраст-М
Концерт
Концерт-201
Концерт-М
Концертный
Концертный-2
Концертный-3
Концертный-304
Концертный-305
Корвет
Корвет 100УМ-084С
Корвет 200УМ-088С
Корвет 50У-068С
Корвет ЛП-001
Корвет УМ-038C
Корвет УМ-048С
Корвет УП-028С
Корвет УП-078С
Корвет ЭП-003
Корвет-004-стерео
Корвет-004C
Корвет-004С
Корвет-038-стерео
Корвет-104-стерео
Корвет-248-стерео
Корвет-Стерео
Корпус
Корпус для РЛ конструкции
Корпус радиоприёмника
Корпус радиоприёмника ЮТ
Космонавт
Космос
Космос-602
Космос-М
Космос-Э-001С
Косомолец
КПА-4
КР-1-1
Кремль
Крик
Кристалл
Кристалл-101
Кристалл-101-стерео
Кристалл-103
Кристалл-2
Кристалл-201
Кром-Стерео
Крот
Крот-М
КРУ-10
КРУ-2
Круиз-201
Круиз-203
Круиз-С
Крунк-303-стерео
Крым
Крым-204
Крым-210
Крым-215
Крым-218
КС-37
КТ
КТ-1
КТ-3
КТА-1Д
КТТА-12к
КУБ-1
КУБ-2
КУБ-4
КУБ-4М
Кувшинка
Кузбасс-49
КУК-16
Кумир 35У-102С
Кумир 35У-103С
Кумир У-001C
КЭМЗ РП-201-2
КЭМЗа
Л-31
Л.Д.П.
Л1-3
Л2-54
Л2-60
Л3-23
Л3-3
Лабораторные работы по ЭД
Ладога-203
Ладога-204
Ладога-207
Лазурь Ц-203
Лазурь Ц-280/Д
Лазурь-714
Лазурь-716/Д
Лазурь-738
Лазурь-739
Лантан
Ласпи ПТ-202-С
Ласпи ПТ-202С
Ласпи ТСТ-001
Ласпи ТТ-01
Ласпи ТТ-03
Ласпи У-005-1С
Ласпи-001-стерео
Ласпи-003-стерео
Ласпи-005-1-стерео
Ласпи-005-стерео
Ласпи-1
Ласточка
Ласточка-2
Латвия
Латвия М-137
Латвия-2
Латвия-М
ЛАТР
ЛБ-1
ЛВ
ЛДВ-2
ЛДВ-5
ЛДВ-7
ЛДВ-7-1
Легенда М-306-стерео
Легенда П-305Т
Легенда П-405Т
Легенда РМ-207С
Легенда-401
Легенда-404
Лемма
Ленинград
Ленинград Т-1
Ленинград Т-2
Ленинград Т-3
Ленинград-002
Ленинград-003
Ленинград-006С
Ленинград-010С
Ленинград-015С
Ленинград-016С
Ленинград-50
Ленинградец
Лёс РМ-203
Летучая мышь
Лиана-1
Лидер
Лидер-2
Лидер-205
Лидер-302
Лидер-303
Лидер-306-моно
Лилипут
Лира
Лира АГ-347
Лира РП 241-2
Лира РП 241-4
Лира РП-231
Лира РП-231-2С
Лира РП-231-3М
Лира РП-240
Лира РП-241-8
Лира РП-243
Лира РП-245
Лира РП-247
Лира РЭМ-228-5С
Лира-201
Лира-206
ЛИС-3
ЛМ-1229
ЛМ/1
ЛО-70
Лола
Ломо 25Д-79 КЗМП-11
Ломо 6У-34-3У
ЛОНИИС
Лорта 27ТК-600Д
Лота 15У-201С
Лота-Стерео
Лотос
Лотос-1
ЛР-1
ЛСУ-1
Луч
Луч-001
Луч-002
Луч-1
ЛЭМИ СМ-0602
Любава
Любава-85-стерео
Любава-85C
Любава-С
Люкс
М-101
М-104
М-1101
М-1108
М-1200/Т
М-193
М-254
М-356
М-4100
М-555
М-57
М-648
М-777
М-80
М-82
М-91
М-95
М4-2
МАГ-2
МАГ-2А
МАГ-3М
МАГ-4
МАГ-5
МАГ-59
МАГ-59М
МАГ-8
МАГ-8М-II
МАГ-Д1
Магілёў РМ-204
Магнетон МТ-501Д
Магнетон МТ-511
Магнитная антенна приёмника Селга-402
магнитола
магнитофон
Максимка
Малахит
Малая автоматика
Малыш
Малютка
Мануал
Мара-2/Д
Мария
Марс
Марс-1
Марс-2
Марс-201-стерео
Марс-202-стерео
Маршал
Маршал-М
Мастер-1
Мастер-5
Маэстро
Маяк
Маяк М-240С
Маяк М-242С
Маяк М-246С
Маяк М-247С
Маяк М-249С
Маяк М-260С
Маяк МП-140С
Маяк МПД-150С
Маяк РМД-315С
Маяк-001-стерео
Маяк-003-стерео
Маяк-005-стерео
Маяк-010-стерео
Маяк-011-стерео
Маяк-1
Маяк-110-стерео
Маяк-120-стерео
Маяк-2
Маяк-201
Маяк-202
Маяк-203
Маяк-204
Маяк-205
Маяк-206
Маяк-215С
Маяк-231-стерео
Маяк-232-стерео
Маяк-233-стерео
Маяк-300УМ-108С
Маяк-Авто
Маяк-М
Маяк-микро
Маяк-мини
Маяк-Мини-Стерео
Маяк-Супер
Маячок
МВ-150
МВЛ-2М
МВУ-49
МГР-1
МГСРТУ-50
МД-2
МД-200
МД-201
МД-282
МД-380
МД-38Ш
МД-41
МД-42
МД-44
МД-45
МД-46
МД-47
МД-52А
МД-52Б
МД-54
МД-55
МД-57
МД-59
МД-62
МД-63
МД-64
МД-64А
МД-66
МД-69
МД-71
МД-78А
МД-80М
МД-85А
МД-87А
МДМ-1
МДО-1
МДС-1
МДС-2
Медео П-410С
Медео РМ-205-стерео
Медео РП-201
Медео-102-стерео
Медео-201
Медео-202
Мезон
Мезон-202
Мезон-211
Мелодия
Мелодия МГ-56
Мелодия-014
Мелодия-101-стерео
Мелодия-102
Мелодия-103-стерео
Мелодия-104-стерео
Мелодия-105-стерео
Мелодия-106 стерео
Мелодия-110-стерео
Мелодия-2
Мелодия-64
Мередиан
Меридиан
Меридиан РП-248
Меридиан РП-249
Меридиан РП-252
Меридиан РП-303
Меридиан РП-308
Меридиан РП-309
Меридиан РП-310
Меридиан РП-314
Меридиан РП-403
Меридиан-2
Меридиан-201
Меридиан-202
Меридиан-206
Меридиан-208-стерео
Меридиан-210
Меридиан-230
Меридиан-235
Меридиан-246
Меридиан-250-стерео
Меридиан-310-стерео
Меридиан-401
Меридиан-Ф
Меркурий М-302С
Меркурий РП-211
Меркурий РП-215
Меркурий РП-216
Меркурий-210
Метель
Метео-Р стерео
Мечта
Мечта-2
Мещера-201
Мещера-301
МИГ
МИГ-2
МИЗ-10
Мики
Микро
Микро-М
Микро-С
микрокомпьютер
Микрон
Микрон 100УМ-002С
Микрон 10РУ-101С
Микрон 23ТБ-401Д
Микрон PC-01
Микрон PC-02
Микрон РП-201
Микрон РП-203
Микрон РП-204
Микрон РП-205
Микрон УП-002С
Микрон-1
Микрофон и телефонная трубка
Микроша
Микшер
Миния
Миния-2
Миния-2Р
Миния-3
Миния-4
Миния-5
Миния-6
Минор
Минск
Минск Р-7
Минск РС-301Л
Минск С-4
Минск Т-62
Минск-201
Минск-55
Минск-58
Минск-61
Минск-62
Минск-63
Минск-65
Минск-Т
Мир
Мир М-152
Мир М-154
Мир М-154Р
Мираж
Мираж ЦМП-2
Мираж ЦМП-3
Мираж-3
Миреси
Миша
Мишутка
МК-12
МК-12А
МК-13М
МК-14М
МК-15
МК-3
МКС-151
МКЭ-100
МКЭ-2
МКЭ-271
МКЭ-3
МКЭ-9
МЛ-15
МЛ-16
МЛ-17
МЛ-18
МЛ-19
МН-12
МН-61
Модель телеграфа
Модульный РК
Молния-М
Молодёжный
МОМ-1
Момент-1
Моно
Моно-25-2
Морзе
Морзянка
Морион
Морион 200У-103С
Морион МП-101С
Морион Э-103С
Москва
Москва-80
Москвич
Москвич Т-1
Москвич-3
Москвич-В
Мотылёк
Мошка
МП-1
МП-64
МП-64А
МПП-254
Мрия
Мрия-301
МРК-1
МС-08
МС-539
МС-61/Б
МСР
МСР-47
мультиметр
Муромец
Муромец-62
МЦР
МЭЗ-1
МЭЗ-13
МЭЗ-15
МЭЗ-2
МЭЗ-28
МЭЗ-3
МЭЗ-6
МЭЗ-60
МЭЗ-62
Н-23С
Н-3013
Н-3015
Н-3017
Н-313
Набор для радиолюбителя
Набор индикаторов №4
Набор к магнитофону
Набор конденсаторов №1
Набор конденсаторов №4
Набор конденсаторов №6
Набор конденсаторов №7
Набор опеционных усилителей
Набор по радиотехнике
Набор проводов - 4
Набор радиолюбителя
Набор радиотеталей
Набор транзисторов "ВЭФ-12"
Набор УКВ приёмника
Набор юного радиолюбителя
Набор-комплект
Набор-комплект для ЮР
Нарт-201
Нева
Нева-2
Нева-48
Нева-51
Нева-52
Нева-55
Нева-Д
Невотон ПТ-305
Невотон УКВ-РТ
Невский
Невский РП-302
Невский-401
Невский-402
Недра-1
Недра-П
Нейва
Нейва АГ-301
Нейва П-441
Нейва РП-204
Нейва РП-205
Нейва РП-206
Нейва РП-208
Нейва РП-209
Нейва РП-212
Нейва РП-305
Нейва-303
Нейва-304
Нейва-4
Нейва-401
Нейва-402
Нейва-601
Нейва-М
Нейтрон
Неман
Нептун
Нептун-103
Неринга
Нива
Нива-М
Нида
Нида-2
Нида-3
Нижегородец
Ника
НИКА 16ТБ-438
НИКА 16ТЦ-5182
Никонд
Нител 31ТБ-414Д
НК-03
НКС
Новгород
Новинка
Новинка-2
Новосибирск
Ноктюрн-103-стерео
Ноктюрн-201
Ноктюрн-211
Ноктюрн-212-стерео
Ноктюрн-314-стерео
Ноктюрн-317
Нота 35У-120C
Нота М-220С
Нота-101-стерео
Нота-202-стерео
Нота-225-стерео
Нота-303
Нота-304
Нота-М
Огонёк
Огонёк-2
Огонёк-2-1
Ода-101-стерео
Ода-102-стерео
Ода-201С
Ода-302-стерео
Ода-303-стерео
Одиссей 100У-021С
Одиссей-001C
Одиссей-002C
Одиссей-010C
Одиссей-302-стерео
Ока
Океан
Океан РП-222
Океан РП-245
Океан РП-286
Океан-202
Океан-204
Океан-208
Океан-209
Океан-210
Океан-212
Океан-214
Океан-221
Океан-Рокс-301
ОКР-2
ОКР-3
Октава
Октава-2
Октябрь
Олимп
Олимп А-400
Олимп СКП-004
Олимп УКУ-4
Олимп УР-200
Олимп-003-стерео
Олимп-004-стерео
Олимп-005-стерео
Олимп-006-стерео
Олимп-010
Олимп-1
Олимп-2
Олимп-316
Олимп-700
Олимпик
Олимпик РП-305
Олимпик-2
Олимпик-403
Олимпия 8ТМБ-02Д
Олимпия РМ-301
Олимпия РМ-302Т
Олимпия РМ-305СТ
Омега
Омич
ОМЛ-2-76
ОМЛ-2М
ОМЛ-3М
Омск
Омский сувенир
ОМШ-2М
ОМШ-3М
Онега
Оникс-401
Опус
ОР-1
Орбита
Орбита АГ-301
Орбита М-301С
Орбита МП-102С
Орбита МП-103С
Орбита МП-121С
Орбита МП-7301С
Орбита МПК-108С
Орбита ПТВ-0
Орбита РМ-201С
Орбита РМ-250С-5
Орбита У-101C
Орбита УМ-002C
Орбита ЭК-002С
Орбита-002-стерео
Орбита-1
Орбита-106-стерео
Орбита-107-стерео
Орбита-2
Орбита-204-стерео
Орбита-3
Орбита-302
Орбита-501-Видео
Орбита-Видео
Органола
Ореанда РМ-204С
Ореанда РМ-214С
Ореанда-201
Ореанда-301
Ореанда-302
Ореол
Ореол-23ТБ-307/Д
Оризон 31ТБ-411Д
Оризон 50ТБ-311Д
Оризон 51ТЦ-449Д
Оризон 51ТЦ-507Д
Оризон 51ТЦ-508Д
Орион РП-201
Орион-301
Орлёнок
Орлёнок-605
Орлёнок-М
ОРТА CТV-1401
Орфей Стерео
Орфей-101-стерео
Орфей-103-стерео
Орфей-301
Орфей-302
Орфей-304
Орфей-311
Останкинский телецентр
осцилограф
От простого к сложному "Радиоконструктор"
Отдых
Отрар
охранная
Охта
Охта-М
П-1
П-180
П-2
П-222
П-3
П-39
П-4
П-5
П-504Н
П-6
П-7
П-70
П-74
П-8
П-СК-Д-3
П-СК-Д-5-1
П-СК-Д-6
ПАБ-1
Палестра-02
Партизан
Парус
Парус М-213С
Парус-1
Парус-201-стерео
Парус-301
Парус-302
Пауза-2
ПГР-3
ПГУ-1
ПГУ-6751
ПД-4
ПДБ-1
ПДУ-IIУ-2
Пегас-002-стерео
Пеленг-100
Первая радиолаборатория
Переговорное устройство
Перекличка
Перекличка-М
Переключатель РП
Перле
Песенка-1
ПЗ-3
Пилле
Пилот-2
Пилот-4
Пионер
Пионер ТМ-3
Пионер ЦС-1
Пионер-1
пиральная антенна
ПИУ
Пиф
ПКВ-3
ПКВ-6
ПКЛ-2
ПЛ-1
ПЛ-2
Планета
Планета-2
ПЛР-5
ПМ-39
ПН-6
ПНТ
ПНТ-2
ПНТ-59
Победа
Подсолнух
пожарная
Позитрон 27ТЦ-5205
Поиск
Полар-5400
Полесье
Полесье-02
Поливокс
Полонез-Квадро
Полонина-301
Полонина-303
Полтава М-210-стерео
Полынь-101
Портативный
ППТ
ПР-39
ПР-4П
ПР-5
Прелюдия
Прелюдия-003
Прибой
Прибой УР-03
Прибой Э-014С
Прибой Э-024С
Прибой-114-стерео
Прибой-50УМ-204С
Прибой-75УМ-104С
прибор
Приёмник-индикатор
Призма
Припять
Причал
Программатор
Прогресс
проигрыватель
Проигрыватель компакт-дисков
Пролетарий
Прометей-1
Прометей-201
Проминь
Проммел РП-201
Протон АО-01
Протон М-412
Протон М-414
Протон РМ-211С
Протон РМ-212-стерео
Протон РМ-321СМ
Протон РП-201
Протон-301-стерео
Протон-310
Протон-310-стерео
Протон-311-стерео
Протон-401
Протон-402
Протон-402МТ
Протон-411
ПРС-Стройка
ПРТ-4
ПРЦ-1
ПТ
ПТБ-47
ПТВ-61
ПТС-47
ПТУ-1
ПТУ-10
ПТУ-5
ПУ-47
Пунане Рэт VV-462
ПУУ-25
Пушка
ПФ
ПФ-5
Пчёлка
Р-1
Р-10
Р-105Д
Р-105М
Р-116
Р-154-2
Р-162
Р-2
Р-250
Р-250М
Р-250М2
Р-251
Р-253
Р-254
Р-254М
Р-309
Р-310
Р-311
Р-312
Р-313
Р-313М
Р-313М2
Р-314
Р-323
Р-323М
Р-326
Р-326М
Р-352
Р-353
Р-375
Р-38
Р-392/А
Р-556
Р-671
Р-672
Р-673
Р-675
Р-676
Р-677
Р-720
Р-721
Р-809М
Р-838К
Р-838КН
Р-848
Р-855
Р4340
Р5-8
РААЗ
Радиан АГ-302
Радиан-301
Радий
Радий-Б
Радио
Радиокассета
Радиоклип
Радиоколокол
Радиокомбайн
Радиоконструктор
Радиоконструктор "Юный связист"
Радиоконструктор 4 варианта
Радиоконструктор №1
Радиоконструктор №2
Радиоконструктор для школьника
Радиоконструктор Минск
Радиоконструктор на ПП
Радиоконструктор РК-1
Радиоконструктор РКП-А/Б
Радиоконструктор школьный
Радиоконструктор-3
Радиокубики
Радиокубики-М
радиола
Радиола №1
Радиола №2
Радиола №3
Радиолина
Радиолы сетевые ламповые
Радиолюбитель
Радиолюбитель №1
Радиолюбитель №2
радиомаяк
радиометры
Радионабор автолюбителя
Радиопередвижка
радиоприемник
Радиоприёмники детекторные
Радиоприёмники и радиолы п/п портативные
Радиоприёмники и радиолы п/п стационарные
Радиоприёмники сетевые ламповые
Радиостандарт
радиостанция
Радиотехника T-7120
Радиотехника КР-7111
Радиотехника КС-111С
Радиотехника М-201С
Радиотехника МЛ-6102
Радиотехника МЛ-6132
Радиотехника МЛ-6201
Радиотехника МЛ-6302
Радиотехника МЛ-6303
Радиотехника МП-7210С
Радиотехника МП-7220С
Радиотехника МП-7301С
Радиотехника МП-7307С
Радиотехника МР-5201С
Радиотехника МР-5210С
Радиотехника МР-5220С
Радиотехника РП-5201
Радиотехника Т-7111FS
Радиотехника Т-7111С
Радиотехника У-101С
Радиотехника У-7101С
Радиотехника У-7111С
Радиотехника У-7112С
Радиотехника УП-001С
Радиотехника УП-7010С
Радиотехника ЭГ-9010С
Радиотехника ЭП-101С
Радиотехника-001С
Радиотехника-010С
Радиотехника-020С
Радиотехника-101С
Радиотехника-301С
Радиофон
Радиофронт
Радиочасы наручные
Радиочеканка
Радиошкаф
Радиоэлектроника
Радиоэлектронная мозаика
Радист
Радист-6
РАДИУС
Радуга
Радуга 51ТЦ-315
Радуга 61ТЦ-304Д
Радуга 61ТЦ-342Д
Радуга РП-201
Радуга УСД-01
Радуга УСД-02
Радуга УСД-03
Радуга Ц-259/Д
Радуга Ц-262/Д
Радуга-3
Радуга-4
Радуга-6
Радуга-701/Д
Радуга-703/Д
Радуга-716/Д
Радуга-719
Радуга-734/Д
Раздан-201
Раздан-205
Рамочная антенна
Ранiца РП-201-2
Рапри М-201С
Рапри МП-102С
Рапри УМ-1
Рапсодия
Рассвет
Рассвет 40ТБ-309/Д
Рассвет-2
Рассвет-201
Рассвет-301
Рассвет-304
Рассвет-305
Рассвет-306
Рассвет-307
Рассвет-308
Рассвет-351
РАТ-025
РАТ-035
РАТ-035а
РАТЕП
Ратон-901
РВ-2
РВ-4
РД-3602
Реатон
Реатон У-125СА
Резонанс
Рейд
Рекорд
Рекорд 37ТЦ-5139
Рекорд 50ТБ-307
Рекорд 50ТБ-312Д
Рекорд 50ТБ-313/Д
Рекорд 51ТЦ455ДС-2А
Рекорд 54ТЦ-5168
Рекорд 61ТЦ-445
Рекорд В-301
Рекорд В-302
Рекорд В-305
Рекорд В-306
Рекорд В-307
Рекорд В-308
Рекорд В-310
Рекорд В-312
Рекорд В-315
Рекорд В-350/Д
Рекорд ВЦ-311/Д
Рекорд ВЦ-381/Д
Рекорд Ц-201
Рекорд Ц-202
Рекорд Ц-275/Д
Рекорд-101
Рекорд-12
Рекорд-300
Рекорд-301
Рекорд-310
Рекорд-311
Рекорд-314
Рекорд-330
Рекорд-331
Рекорд-332
Рекорд-333
Рекорд-334
Рекорд-335
Рекорд-336
Рекорд-338
Рекорд-340
Рекорд-345
Рекорд-346
Рекорд-350/Д
Рекорд-352
Рекорд-353
Рекорд-354
Рекорд-4
Рекорд-47
Рекорд-50
Рекорд-52
Рекорд-53
Рекорд-53М
Рекорд-59
Рекорд-6
Рекорд-60
Рекорд-60-1М
Рекорд-60И
Рекорд-60М
Рекорд-61
Рекорд-61М
Рекорд-61М2
Рекорд-64
Рекорд-65
Рекорд-66
Рекорд-66А
Рекорд-67
Рекорд-68
Рекорд-68-2
Рекорд-705
Рекорд-706
Рекорд-711/Д
Рекорд-716/Д
Рекорд-718/Д
Рекорд-726/Д
Рекорд-736
Рекорд-А
Рекорд-Б
Рекорд.6.1.М
Реле времени электронное
Релеро 34ТБ-410Д
Релеро РП-301А
Рембрандт
Репортёр
Репортёр-2
Репортёр-3
Репортёр-5
Репортер-6
ретро
Рига
Рига Б-912
Рига Т-51
Рига Т-689
Рига Т-755
Рига-10
Рига-101
Рига-102
Рига-103
Рига-104
Рига-105
Рига-111
Рига-120-стерео
Рига-301А
Рига-302
Рига-310-стерео
Рига-6
Ригонда-102
Ригонда-Моно
Ригонда-стерео
РИС-35
Ритм
Ритм М-303С
Ритм РМ-207С
Ритм-1
Ритм-2
Ритм-202
Ритм-202-1
Ритм-3
Ритм-301
Ритм-304
Ритм-320
Ритм-60
Ритм-Репортёр
Ритмосвет
Риф
Рифей МПД-201-стерео
Рифик-1
РК-01
РКСБ-104
РКЭ-2
РМ-3
РНБ-1
Робин
Робот
Ровесник
Рогнеда
Родина
Родина-1
Родина-47
Родина-52
Родина-52А
Родина-52М
Родина-52У
Родина-58
Родина-59
Родина-60
Родина-65
Родина-68
Роктон
РОМ-1
Романтик
Романтик М-309С
Романтик М-311С
Романтик РМ-210С
Романтик РП-301
Романтик-201-стерео
Романтик-202
Романтик-3
Романтик-304
Романтик-306
Романтика
Романтика 50РУ-122С
Романтика 50У-236С
Романтика МП-224С
Романтика ПТ-301
Романтика РП-230-1
Романтика РП-230-2
Романтика РП-230-3
Романтика РЭМ-120-1С
Романтика У-120С
Романтика УМ-6604СТ
Романтика ЭП-227С
Романтика-001-стерео
Романтика-002-стерео
Романтика-103
Романтика-104-стерео
Романтика-105
Романтика-106
Романтика-108-стерео
Романтика-109-стерео
Романтика-112-стерео
Романтика-115-стерео
Романтика-121-стерео
Романтика-201-2-стерео
Романтика-201-стерео
Романтика-220-стерео
Романтика-221-стерео
Романтика-222-стерео
Романтика-225-стерео
Романтика-6601С
Романтика-6603С
Романтика-М
Ромашка
Рондо-101-стерео
Рондо-102-стерео
Рондо-201
Рондо-202-стерео
Рондо-203
Рондо-206-стерео
Рондо-206М-стерео
Росинка
Росич и К
Россия
Россия АГ-1
Россия КП-708
Россия М-315С
Россия П-327С
Россия РМ-212С
Россия РМ-214С
Россия РП-208
Россия РП-216
Россия РП-221
Россия ЭФ-326-стерео
Россия ЭФ-327
Россия-101-стерео
Россия-102-стерео
Россия-105-стерео
Россия-203
Россия-211-1-стерео
Россия-211-стерео
Россия-303
Россия-303-1
Россия-304
Россия-310-стерео
Россия-321-стерео
Россия-323
Россия-325-стерео
Ростов МК-105С-1
Ростов МПК-111С
Ростов МПК-113С
Ростов-020-стерео
Ростов-101-стерео
Ростов-102 стерео
Ростов-104-стерео
Ростов-105-стерео
Ростов-112-стерео
Ростов-121-стерео
Ростов-Дон
Ростов-Дон-101С
Ростов-Дон-2
РП-4
РП-627
РП-8
РПК-10
РПК-11
РПК-9
РПС
РПУ-1
РСВ-II-64
РСКН
РСО-5
РТ-4
РТС-1
РТУ
Рубин
Рубин 51ТЦ-402
Рубин 51ТЦ-405Д
Рубин 51ТЦ-465ДИ-1
Рубин 54-ВПТ-401
Рубин 54ТЦ-311И
Рубин 55S06TR
Рубин 61ТЦ-403
Рубин 67ТЦ-4106ДИВ
Рубин Ц-101
Рубин Ц-201
Рубин Ц-202
Рубин Ц-205
Рубин Ц-208
Рубин Ц-210
Рубин Ц-211
Рубин Ц-230
Рубин Ц-265
Рубин Ц-266Д
Рубин Ц-268Д
Рубин Ц-281/Д
Рубин Ц-290
Рубин Ц-381/Д
Рубин Ц1-205
Рубин-101
Рубин-104
Рубин-106
Рубин-110
Рубин-2
Рубин-201
Рубин-203/Д
Рубин-205/Д
Рубин-205М
Рубин-207/Д
Рубин-401
Рубин-402
Рубин-51ТЦ-010
Рубин-55-М10-1
Рубин-707/Д
Рубин-710/Д
Рубин-711/Д
Рубин-712
Рубин-714/Д
Рубин-718
Рубин-730
Рубин-А
РУМ-1
РУМ-2
Русич 51ТЦ-423ДВ
Рута-101-стерео
Рута-201-стерео
Ручка-приёмник
Рэтаккорд
Рэут
РЭУТ 23ТБ-425
Рэут РП-201
Рязань
Рязань-900
С-31
С-95
С-96
С1-1
С1-101
С1-107
С1-112
С1-117
С1-124
С1-13
С1-15
С1-18
С1-19
С1-20
С1-30
С1-31
С1-35
С1-49
С1-5
С1-54
С1-55
С1-6
С1-65
С1-68
С1-73
С1-74
С1-75
С1-77
С1-94
С1-99
С4-8
СА-1
Сага
Садко
Садко 51ТЦ-433Д
Садко ТСТ-001С
Садко Ц-220
Садко Ц-280Д
Садко Ц-380Д
Садко-302
Садко-303
Садко-305
Садко-307
Садко-501
Садко-61ТЦ-423Д
Садко-714
Садко-733
Сакта
Салют
Салют-001
Самара-Куйбышев
Самоцвет
Сампо-101
Санда 35У-107С
Санда МК-012-стерео
Санда МК-112-стерео
Санда П-401С
Санда ПП-101
Санда Э-107С
Санда-207-стерео
Санда-МКП
Санта
Сапфир
Сапфир 23ТБ-406Д
Сапфир 23ТБ-431Д
Сапфир 31ТБ-406Д
Сапфир 37ТЦ-4324Д
Сапфир 37ТЦ-6211F
Сапфир-23ТБ-307/Д
Сапфир-401
Сапфир-402
Сапфир-412/Д
Сапфир-455
Саратов
Саратов-400
Саргис-2М
Сатурн
Сатурн МС
Сатурн РМ-233С-1
Сатурн-101-стерео
Сатурн-201
Сатурн-202-1-стерео
Сатурн-202-2С
Сатурн-202-3-стерео
Сатурн-202-стерео
Сатурн-301
Сатурн-505-Видео
Сатурн-505Б
Сатурн-841
Сафари-Крым
СВГ-9
СВГ-К
СВД
СВД-1
СВД-9
СВД-М
Свердловск
Свердловск-201
Сверчок
Свет
Свет и автоматика
Свет-702
Светильник с приёмником
Светлана-301
Светофон
Светофор
Светоэффект
Свирель
Свирель РП-215
Свирель РП-306
Свирель-2
СВУ
СГ-1
СГ-6
СГ-8
Север
Север-2
Север-3
Север-64
Север-бис
Секунда БРВ-1
Селга
Селга-2
Селга-309
Селга-310
Селга-312
Селга-403
Селга-404
Селга-405
Селена 51TЦ-441Д
Селена 51ТЦ-431Д
Селена 51ТЦ-500Д
Селена РП-301
Селена РП-305
Селена РП-307
Селена РП-310
Селена РП-386
Селена-224
Серенада
Серенада РЭ-208
Серенада РЭ-209
Серенада РЭ-210С
Серенада РЭ-308
Серенада-306
Серенада-402
Серенада-404
Серенада-405
Серенада-406
СИ-234
СИ-235
СИ-236
СИ-646
СИАН
Сибирь
Сибиряк-302
Сибиряк-303
Сибиряк-305
Сигма
Сигнал
Сигнал РП-204
Сигнал РП-206
Сигнал РП-302
Сигнал-1
Сигнал-2
Сигнал-201
Сигнал-304
Сигнал-401
Сигнал-402
Сигнал-601
сигнализация
Силуэт
Симона
Симург РП-301
Симфония
Симфония АС-003
Симфония-003
Симфония-2
Симфония-2/К
Синевир
Синтар РМ-201
Синтар РП-215
Синхрон
Сирена
Сирена-М
Сириус
Сириус МЭ-325-стерео
Сириус РМ-229-1С
Сириус РЭ-226С
Сириус РЭМ-228-1С
Сириус РЭМ-228С
Сириус ЭФ-330С
Сириус-201
Сириус-202
Сириус-203
Сириус-301
Сириус-303
Сириус-308
Сириус-309
Сириус-311
Сириус-314
Сириус-316 Пано
Сириус-318
Сириус-324-пано
Сириус-5
Сириус-З15 Пано
Сириус-М
Система РУ игрушками
Система РУ К176-5
СИЭК-13ТВН
СК-3
СК-33
СК-Р4
СК3-26
СК3-46
Скерцо
Скерцо-204
СКИ-01
Скиф М-310С-2
Скиф М-402С
Скиф ПС
Скиф РМ-211С
Скиф-301
Скиф-310-стерео
Славутич
Славутич 34ТБ-412Д
Славутич 51ТЦ-311Д
Славутич РП-201
Славутич Ц-201
Славутич Ц-202
Славутич Ц-203
Славутич Ц-208
Славутич Ц-281/Д
Славутич-201
Славутич-203/Д
Славутич-206
Славутич-210
Славутич-212
Славутич-214
Славутич-217
Славутич-220
Славутич-233
слуховой
Смена
СМЗ
СН-200
СН-200А
СН-25
СН-250
СН-315
СН-315ПМ
СНБ-200
СНВ-924Д
Снежеть-110-стерео
Снежеть-202
Снежеть-203
Снежеть-204-стерео
Снежок
СНФ-200
Собери сам
советская
Сож-305
Сож-306
Сокол
Сокол 32ТЦ-402Д
Сокол 37ТЦ-6153
Сокол 51ТЦ-6153С
Сокол ST-707
Сокол РП-204
Сокол РП-210
Сокол РП-215
Сокол РП-401
Сокол РП-6312
Сокол-101-стерео
Сокол-109
Сокол-2
Сокол-3
Сокол-301-стерео
Сокол-304
Сокол-307
Сокол-308
Сокол-309
Сокол-310
Сокол-311
Сокол-4
Сокол-403
Сокол-404
Сокол-405
Сокол-407
Сокол-6
Сокол-М
Солист 100К-14
Солнечный
Солнечный-2
Соловей
Соловей-М
Соловушка
Солярис
Солярис У-001С
Соната
Соната М-423С
Соната П-421С
Соната РМ-223С
Соната РП-201
Соната РП-203
Соната-1
Соната-201
Соната-201-стерео
Соната-211
Соната-212
Соната-213С
Соната-216
Соната-303
Соната-304
Соната-308
Соната-III
Соната-Мини
Сонет-208-стерео
Сонор М-08-2
Союз
Союз 31ТБ-407/Д
Союз М-220С
Союз ПКД-101-1С
Союз-101 ЛП
Союз-110-стерео
Союз-111-стерео
Союз-112-стерео
Союз-113-стерео
Союз-201
Союз-260
Спалис
Спартак
Спектр
Спектр 34ТБ-401Д
Спектр 37ТЦ-6107ИФ
Спектр 51ТЦ-310Д
Спектр 51ТЦ-423Д
Спектр 61ТЦ-312Д
Спектр Ц-280Д
Спектр Ц-380Д
Спектр-10
Спектр-11
Спектр-12М
Спектр-203-Видео
Спектр-205-Видео
Спектр-3
Спектр-301
Спектр-4
Спектр-733/Д
Спидола
Спидола-207
Спидола-230
Спидола-231
Спидола-232
Спидола-240
Спидола-250
Спиральная антенна
СПН-315
СПН-400
Сполох
Сполох-2
Сполох-3
Спорт
Спорт-2
Спорт-301
Спорт-304
Спорт-4
Спрут
Спутник
Спутник радиолюбителя
Спутник-1
Спутник-401
Спутник-402
Спутник-403
Спутник-404
Спутник-405
Спутник-61
СР-25
СРП-1а
СРП-2
СРП-68-01
СССР
СТ-23
Стаккато
Сталкер
Стар
Старт
Старт ИП-1
Старт ЦЧ-1
Старт-0057
Старт-0058
Старт-0059
Старт-0061
Старт-1201
Старт-1202
Старт-2
Старт-2035
Старт-2101
Старт-2103
Старт-2104
Старт-2600
Старт-3
Старт-308
Старт-4
Старт-6
Старт-7104
Старт-7173
Старт-7174
Старт-7175
Старт-7176
Старт-7198
Старт-7199
Старт-7213
Старт-7216
Старт-7217
Старт-7218
Старт-7219
Старт-7223
Старт-7224
Старт-7225
Старт-7231
Старт-7235
Старт-7239
Старт-7240
Старт-7245
Старт-7250
Старт-7252
Старт-9069
Статик-М
Стенд радиолюбителя
Стереомагнитофон
Стрела
СТУ-5
СУ-3
Сувенир
Супранар-8-2
Супранар-828
Сура
Сура 31ТБ-401Д
Сура 31ТБ-403Д
Сура-2
Сура-Авто
Сфера ПТП-212
Сфера-001-стерео
Сфера-201
Сфера-301
Счётчик Гейгера
Счётчик ионизирующих частиц
СЭЛ-1
Сэлмафон
Сюрприз
Т-1 РИК
Т-12
Т-13
Т-35
Т-37
Т-4-50
ТА-4
ТА-56М
Таврика
Таёжный
ТАИ-12
Тайга
Тайга-2
Тайга-3
Тайга-304
Тайга-305
Тайга-4
Такт-001-стерео
Такт-011-стерео
Таллин Б-2
Танаис
Тантал
Тантал ВМ-31
Тарнаир М-308
Тарнаир М-311С
Тарнаир-207-стерео
Тарнаир-211-1-стерео
Тарнаир-211-стерео
Тарнаир-310-стерео
Таурас
Таурас 37ТЦ-402Д-8
Таурас 51ТЦ-402Д
Таурас 61ТЦ-311
Таурас Ц-257Д
Таурас Ц276/Д
Таурас-202
Таурас-204
Таурас-206/Д
Таурас-207
Таурас-210/Д
Таурас-211/Д
Таурас-714
Таурас-722
Таурас-727
Таурас-736/Д
ТВ антенный усилитель
ТВЗК
ТВТ-2144
ТГ-1
ТГ-15
ТГ-2К
ТГК-10
ТГК-3
ТГМ-0
ТГУ
ТДС
ТДС-1
ТДС-10
ТДС-101
ТДС-15
ТДС-16
ТДС-17
ТДС-18
ТДС-2
ТДС-20
ТДС-22
ТДС-3
ТДС-4
ТДС-5М
ТДС-6
ТДС-7
ТДС-8
ТДС-9Б
Тейка
Телевизор
Телеконструктор
Телемеханика-3
Телемеханика-6
Телетаймер
Телефонный усилит.
Телса
Тембр
Тембр-10
Тембр-2
Тембр-2М
Тембр-2С
Темп
Темп 51ТЦ-338Д
Темп 61ТЦ-331
Темп 61ТЦ-343
Темп Ц-2-207
Темп Ц-202
Темп Ц-203
Темп Ц-280/Д
Темп Ц-3-208
Темп Ц-380Д
Темп-2
Темп-22
Темп-3
Темп-4
Темп-5
Темп-6
Темп-6М
Темп-6Н
Темп-711
Темп-714
Темп-733
Темп-738
Темп-8
Темп-9
Темп-Стерео
Терек
Терем
Тернава РМ-210С
Тернава РМ-211С
Тернава-301
Тернава-302
тестер
ТЗС
ТЗФ
ТИ-1
ТК-1
ТЛ-3
ТЛ-4
ТЛ-4М
ТМ-1
ТМ-2
ТМ-4
ТМ-7
ТМ-8
ТМ-9
ТМ-ВЭИ
ТМГ-1
ТМГ-4
ТМГ-8
ТМГ-8А
ТМЗК
ТНГ-19
Том-1201
Том-1501
Томск
Тон
ТОН-2
ТОН-2М
Тонар РМ-301СА
Тонар РП-201А
Тонар РП-303А
Тонар РП-304А
Тонар-3
Тонар-3М
Тоника-305
Тоника-310 стерео
Топiльче РМ-201С
Топаз
Топаз Д-202
Торжок
Торнадо
ТПС-1
ТПС-2
ТПС-54
ТПС-54С
ТПС-58
Транспорт-Н
ТРВ-1
Трембита
Трембита-002С
Трембита-101
трёхпрограммный
Трио ПТ-207
Трио ПТ-302
Трио-205
Тритон
Тритон ПК-1
ТСН-170
ТСН-250
ТТ
ТТ-1
ТТ-2
ТТ-3
ТУ-100-1
ТУ-100М
ТУ-50М
ТУ-600
ТУ-ВЭИ
Тула
Турист
Турист-312
Турнир
ТЭ-1
ТЭГ-1
ТЭГК-2-2
ТЭСД-2
Тюленёнок
У-100У4.2
У-207
УБП-400
УВ
УДП-1
УДРБГ-Б
Узбекистан
УИП-1
УК-20
УК-50
УКВ радиоприёмник
Украiна
Украина-301
Украина-302
Украина-303
УМ-3
УМ-50А
УМНЧ-20
УМП-1
УМРВ-2
УН-1
Унда РП-301-С
Универсальный прибор Ионтеля
УНРП-1
УНЧ
УНЧ-3
УНЧ-5
УНЧ-50
УО-0
УО-11
УО-4
УОС
УП-1
УП-1Д
УП-2
УП-200
УП-2М
УП-3
УП-4
УП-6
УП-8
УПГ
УПМ
УПМ-1
УПР-1
УПС
УПТ-2
Урал
Урал РМ-292СА-1
Урал РМ-334А
Урал РП-340А
Урал-1
Урал-101-стерео
Урал-110
Урал-111
Урал-112
Урал-114
Урал-285-стерео
Урал-285А-стерео
Урал-3
Урал-301
Урал-320
Урал-333-стерео
Урал-47
Урал-49
Урал-5
Урал-50
Урал-53
Урал-57
Урал-6
Урал-67
Урал-Авто
Урал-авто-2
Урал-Авто-2М
Урал-Р
Уралец
Уран
Уран-202-Видео
УРГ-1
УРЧ
УС
УС-8
УС-9
УС-П
Усилитель №3
Усилитель воспроизведения МЗ
Усилитель мощности 20 Вт
Усилитель НЧ
Усилитель НЧ-20 Вт
Усилитель Стерео
Усилитель УНЧ-1
Усилитель УНЧ-5-стерео
Усилитель-корректор
Услилители
УСН-200
УСН-315
УСН-350
УТЕ-250
Утёс П-421С
Утро
Утро-601
УТС-50-1
Уфа
Уфа-201
УЭМИ-10
УЭМИ-10М
УЭМИ-50
УЭП-1
Ф-1
Ф-432
Ф-434
Ф-582
Ф415
Ф4372
Ф5053
Факел
Фактор-1
Фантазия-06
Фаэми
Фаэми-1М
Фаэми-М
ФЕБ ПТ-301
Фемер
Феникс
Феникс 50У-008С
Феникс УМ-005С
Феникс Э-008С
Феникс Э-009С
Феникс ЭП-008С
Феникс ЭП-009С
Феникс ЭП-109С
Феникс-001-стерео
Феникс-002-квадро
Феникс-005-стерео
Феникс-006-стерео
Феникс-010-стерео
Феникс-301-стерео
Фермер
Фестиваль
Фиалка
Фикус-МП2
Фон
Фон-10
Фон-11
Фон-2
Фон-5
Фон-6
Фон-7
Фон-8
Фон-9
Форманта П-432
Форманта ЭМС-01
Форманта-мини
Форманта-ПМ-0622
Форум 180У-001С
Форум У-001C
Форум-301
фотовспышка
Фотон
Фотон 31ТБ-408/Д
Фотон 51ТЦ-311Д
Фотон 51ТЦ-408Д
Фотон 61ТБ-301/Д
Фотон 61ТЦ-311Д
Фотон 61ТЦ-332Д
Фотон Ц-220Д
Фотон Ц-276/Д
Фотон Ц-310
Фотон Ц-381Д
Фотон-150 ПТЦ-501
Фотон-2
Фотон-225/Д
Фотон-232
Фотон-234
Фотон-3
Фотон-707/Д
Фотон-711
Фотон-714/Д
Фотон-716/Д
Фотон-723
Фотон-736
Фотореле
Фототаймер
ФП-2
ФПК
ФР-220
ФСН-200
ФСН-200-А
ФСН-200-В
ФТ-1
Х1-1А
Х1-50
Хазар-304
Хазар-401
Хазар-402
Хазар-403
Хохол
ХХ Октябрь
ХХV съезд КПСС
Ц-20
Ц-312
Ц-315
Ц-39
Ц-430/1
Ц-4312
Ц-4313
Ц-4315
Ц-4317
Ц-4317М
Ц-4323
Ц-4324
Ц-434
Ц-4341
Ц-4342
Ц-435
Ц-4352
Ц-4353
Ц-4360
Ц-437
Ц-438
Ц-4380
Ц-51
Ц-52
Ц-56/1
Ц-57
Ц-91
Цвет-1
Цветомузыка
Цветомузыкальное устройство
ЦРЛ
ЦРЛ-10
ЦРЛ-8
ЦРЛ-9
ЦРЛК-4
ЦСН-315
ч/б телевизор
Ч2-35А
Ч3-32
Ч3-54
Ч3-63/А
Ч3-68
Ч4-1
Чаир 23ТБ-301
Чайка
Чайка 24ТБ-507
Чайка 34ТБ-424Д
Чайка 51ТЦ-310Д
Чайка 61ТЦ-437ДВ
Чайка 61ТЦ-469ДВ
Чайка ТК/Д
Чайка Ц-202
Чайка Ц-275Д
Чайка Ц-380Д
Чайка-2
Чайка-201
Чайка-205
Чайка-206
Чайка-207
Чайка-3
Чайка-4
Чайка-5
Чайка-6
Чайка-66
Чайка-701
Чайка-711/Д
Чайка-714
Чайка-718
Чайка-722
Чайка-М
Часы
Чемпион
Черемшина
Черемшина АГ-312
Черемшина-306
Черемшина-310
Черкассы
чёрно-белый
Чижик
ЧЭ-1
Ш-52
Шадринск
Шарм 11ТБ-411Д
Шилялис 32ТЦ-401Д
Шилялис 34ТБ-401
Шилялис Ц-401
Шилялис Ц-410Д
Шилялис Ц-420Д
Шилялис Ц-440Д
Шилялис Ц-445Д
Шилялис Ц-530Д
Шилялис-401/Д
Шилялис-402Д
Шилялис-403Д
Шилялис-405Д
Шкатулка
Шоола
Шоола-1
ШП-6
Шумоподавитель стерео
Щ1213
Щ1516
Щ4313
Эверс
Эврика
Эврика М-310С
Эврика Э-01
Эврика-302
Эврика-310-стерео
Эврика-402
ЭГК-1
ЭК-1
ЭК-2
ЭК-4-8
Экводин В-11
Экводин В-9
ЭКЛ-4
ЭКЛ-5
Экон-01
Экон-02
Экон-03
Экран
Экран-1
Экран-201
Эксперт
Элара РП-202
Элат-РП-202-стерео
Элегия М-302С
Элегия-101
Элегия-102-01-стерео
Элегия-102-стерео
Элегия-106-стерео
Элегия-301
Электра-001
Электроконструктор
Электроконструктор "Школьник-3"
Электроконструктор 104 опыта
Электроконструктор №1
Электроконструктор №2
Электроконструктор №3
Электрон
Электрон 51ТЦ-339Д
Электрон 51ТЦ-423Д
Электрон 51ТЦ-4303Д
Электрон 51ТЦ-433Д
Электрон 51ТЦ-434Д
Электрон 51ТЦ-451Д
Электрон 51ТЦ-462Д
Электрон 61ТЦ-433Д
Электрон 61ТЦ-4340Д
Электрон 61ТЦ-451Д
Электрон 61ТЦ-500
Электрон 67ТЦ-433Д
Электрон 71ТЦ-430Д
Электрон ВМЦ-402
Электрон Ц-181Д
Электрон Ц-260Д
Электрон Ц-265Д
Электрон Ц-275/Д
Электрон Ц-280Д
Электрон Ц-282Д
Электрон Ц-283Д
Электрон Ц-284Д
Электрон Ц-380/Д
Электрон Ц-382/Д
Электрон Ц-390Д
Электрон-10
Электрон-103C
Электрон-104-2C
Электрон-104C
Электрон-190
Электрон-2
Электрон-2-1
Электрон-20
Электрон-201-стерео
Электрон-203
Электрон-204-стерео
Электрон-205/Д
Электрон-206/Д
Электрон-219
Электрон-225
Электрон-2М
Электрон-301-стерео
Электрон-302
Электрон-4
Электрон-501-стерео
Электрон-51ТЦ-4305Д
Электрон-52Д
Электрон-701
Электрон-703/Д
Электрон-706
Электрон-710/Д
Электрон-711/Д
Электрон-712
Электрон-714/Д
Электрон-716/Д
Электрон-722/Д
Электрон-736Д
Электрон-738/Д
Электрон-I
Электрон-М
Электрон-Ц
Электронабор №1
Электроник
Электроника
Электроника 10-1
Электроника 12-23
Электроника 16ТБ-410Д
Электроника 1ППБ-60-1
Электроника 2-07
Электроника 2-11
Электроника 2-14
Электроника 21-10
Электроника 23ТБ-307Д
Электроника 25ТЦ-312Д
Электроника 25ТЦ-313Д
Электроника 25ТЦ-421Д
Электроника 25ТЦ-427Д
Электроника 26-01
Электроника 32ВТЦ-201
Электроника 6.11-02
Электроника 8ТБ-318Д
Электроника E1-04М
Электроника T1-002C
Электроника T1-003С
Электроника T1-040C
Электроника АI-029
Электроника Авто-Стерео
Электроника АС-082
Электроника АС-21
Электроника АСА-01
Электроника АСС-1
Электроника АТ-1
Электроника Аудио-001
Электроника Б1-01
Электроника Б1-011
Электроника Б1-02
Электроника Б1-04
Электроника Б2-10
Электроника Б3-34
Электроника Б3-36
Электроника Б3-38
Электроника Б3-39
Электроника В5-21
Электроника Видео-82
Электроника ВЛ-100
Электроника ВМ-1230
Электроника ВМ-15
Электроника ВМ-17
Электроника ВМ-18
Электроника ВМ-23
Электроника ВМ-25
Электроника ВМ-27
Электроника ВМЦ-031
Электроника ВМЦ-20
Электроника ВМЦ-54
Электроника ВМЦ-8220
Электроника ГИС-01Т
Электроника Д1-011-Квадро
Электроника Д1-011С
Электроника Д1-012С
Электроника Д2-10М
Электроника Е1-04
Электроника ЗЛ-01
Электроника ЗУ-04
Электроника ИМ-30
Электроника ИМ-46
Электроника Интеграл-1
Электроника К-01
Электроника К-1-30
Электроника К-Видео
Электроника Контур-80
Электроника Л-801
Электроника Л1-08-Видео
Электроника Л1-10-Видео
Электроника М-20С
Электроника М-327
Электроника М-332С
Электроника М-334С
Электроника М-401С
Электроника М-402С
Электроника МК-22
Электроника МК-44
Электроника МК-51
Электроника МК-53
Электроника МК-59
Электроника МК-60
Электроника МКД-001С
Электроника ММЦ-01
Электроника ММЦ-03
Электроника МС-6105
Электроника МХ-205С
Электроника Н-801
Электроника П-303СА
Электроника П-401
Электроника ПВ-01
Электроника ПМ-01
Электроника ПН-9
Электроника ПТ-209
Электроника ПТ-210
Электроника ПТ-212
Электроника ПТ-301
Электроника ПТ-302
Электроника ПУ-01
Электроника ПУ-02
Электроника ПЭ-11
Электроника РП-301
Электроника СДУ-3
Электроника СП-01
Электроника Стерео
Электроника Т-003С
Электроника ТА1-003
Электроника ТДК-3
Электроника ТДС-14
Электроника ТДС-5
Электроника ТК-06
Электроника У-045C
Электроника У-104C
Электроника У-2М1
Электроника УК-042C
Электроника УМ-08
Электроника Ф1-01
Электроника Ц-401
Электроника Ц-401М
Электроника Ц-430/Д
Электроника Ц-432/Д
Электроника ЦМ-01
Электроника ЦМ-16
Электроника ЦМ-17
Электроника ЦМ-301
Электроника ЦМ-46
Электроника ЦМ-47
Электроника ЦМ-61
Электроника ЦМ-81
Электроника ЦМП-02
Электроника ЦМТ-002
Электроника ЦШ-01
Электроника ЦШ-02
Электроника ЦШ-03
Электроника ЦШ-04
Электроника Э-002С
Электроника Э-003С
Электроника Э-02
Электроника Э-043С
Электроника Э-06
Электроника Э-20
Электроника Э-20С
Электроника ЭК-004С
Электроника экси-Видео 01
Электроника экси-Видео 02
Электроника ЭМ-01
Электроника ЭМ-04
Электроника ЭМ-05
Электроника ЭМ-11
Электроника ЭМ-14
Электроника ЭМ-141
Электроника ЭМ-15
Электроника ЭМ-25
Электроника ЭП-017С
Электроника ЭП-019С
Электроника ЭП-050С
Электроника ЭП-090С
Электроника ЭФ-017С
Электроника-001C
Электроника-001С
Электроника-003
Электроника-004
Электроника-007
Электроника-012
Электроника-013
Электроника-030С
Электроника-060
Электроника-060С
Электроника-1
Электроника-10 стерео
Электроника-100
Электроника-11
Электроника-111-стерео
Электроника-1280
Электроника-1580-Видео
Электроника-160RX
Электроника-2
Электроника-20
Электроника-201
Электроника-202
Электроника-203
Электроника-203-стерео
Электроника-204
Электроника-204-стерео
Электроника-205
Электроника-206
Электроника-206-стерео
Электроника-208
Электроника-211-стерео
Электроника-25
Электроника-301
Электроника-302
Электроника-304
Электроника-305
Электроника-306
Электроника-311 стерео
Электроника-312 стерео
Электроника-321
Электроника-323
Электроника-325
Электроника-331-стерео
Электроника-404/Д
Электроника-407/Д
Электроника-408Д
Электроника-409/Д
Электроника-411Д
Электроника-450
Электроника-452
Электроника-50
Электроника-501-Видео
Электроника-502-Видео
Электроника-504-Видео
Электроника-505-Видео
Электроника-506-Видео
Электроника-508-Видео
Электроника-508М-Видео
Электроника-509-Видео
Электроника-551-Видео
Электроника-552-Видео
Электроника-553-Видео
Электроника-590-Видео
Электроника-591-Видео
Электроника-821
Электроника-822
Электроника-841
Электроника-АИ-01
Электроника-Видео
Электроника-Видео ВМП-1
Электроника-Лазер
Электроника-МК-С
Электроника-Ритм
Электроника-Юность
Электроника/Радиотехника
Электронные кубики
Электронный конструкт.
Электронный конструктор
Электронный конструктор 9:1
Электросигнал-2
Электротехника в 200 опытах
Электрофон
Электрофон-автомат
Элита
Элитан
Элкон
Элта-Стерео
ЭМ-12
ЭМ-2М
ЭМ-7
ЭМЗ
ЭМИ
Эмифон-М
ЭО-4
ЭО-6М
Эола РМ-320СА
Эола РП-201
Эола-310-стерео
ЭП
ЭП-2
ЭП-3
Эпизод-201
Эпос-001-стерео
ЭПУ
Эра
Эра-204
ЭРВ
ЭРГ
Эрика-210
ЭРТ-1
ЭСКО-100
Эскорт
ЭСН-320
Эстония
Эстония 35У-016C
Эстония ЛП-001С
Эстония ЛП-002С
Эстония ЛП-010С
Эстония МП-210С
Эстония-006С
Эстония-007-стерео
Эстония-008-стерео
Эстония-009-стерео
Эстония-010-стерео
Эстония-010С
Эстония-014-стерео
Эстония-109С
Эстония-110-стерео
Эстония-2
Эстония-3
Эстония-3М
Эстония-4
Эстония-Стерео
Эстония-УМ-010C
Эстония-УП-010C
Эстрадин
Эстрадин-182
Эстрадин-230
Эстрадин-3
Эстрадин-3М
Эстрадин-7
Эстрадин-8Б
ЭТ
ЭТП
Этюд
Этюд-2
Этюд-3
Эфир
Эфир РП-202
Эфир-201
Эфир-303
Эфир-312
Эфир-48
Эфир-67
Эфир-М
Эфирная радиоточка
Эффект
Эффект-1
Эффект-3
Эффект-4
Эхо
Эхо-2
Эхо-2М
Эхо-402-стерео
Эхо-601-стерео
Эхо-М
Эхо-Олимпийский
ЭЧП
ЭЧС
ЭЧС-2
ЭЧС-3
ЭЧС-РГ
Ю-16
Юбилейная
Юбилейный
Юбилейный РГ-3
Юбилейный-Стерео
Югдон
Юнга
Юнивокс
Юниор
Юниор-1
Юниор-301
Юниор-М
Юность
Юность 31ТБ-303Д
Юность 32ТЦ-309/Д
Юность 32ТЦ-312Д
Юность 42ТЦ-309/Д
Юность TVR-8
Юность КП-101
Юность Ц-401
Юность Ц-404
Юность Ц-440/Д
Юность-102
Юность-105
Юность-1122
Юность-1132
Юность-2
Юность-201
Юность-202
Юность-21-стринг
Юность-2М
Юность-32
Юность-33-PS MIDI
Юность-401/Д
Юность-402/Д
Юность-403/Д
Юность-405/Д
Юность-406/Д
Юность-54
Юность-55
Юность-602
Юность-70
Юность-73
Юность-75
Юность-М
Юный радиоконструктор
Юный радиолюбитель
Юный радиотелеграфист
Юный связист
Юный техник
Юный Техник-2
Юный электрик
Юный Электроник
ЮП-10
Юпитер
Юпитер МК-106С
Юпитер МПК-107С
Юпитер-001-стерео
Юпитер-101К-стерео
Юпитер-1201
Юпитер-202-стерео
Юпитер-204-стерео
Юпитер-205-Видео
Юпитер-206-Видео
Юпитер-303
Юпитер-601
Юпитер-Квадро
Юпитер-М
Юпитер-Стерео
Ягуар 1-2М
Яна
Янтарь
Янтарь Ц-310
Янтарь Ц-355
Янтарь-01
Янтарь-312
Янтарь-346/Д
Янтарь-714
Янтарь-726/Д
Янтарь-736
Янтарь-А
Яуза
Яуза МП-221С
Яуза П-401С
Яуза-10
Яуза-20
Яуза-206
Яуза-207
Яуза-209
Яуза-212
Яуза-220-стерео
Яуза-5
Яуза-6
Яхонт
Яхта-1М