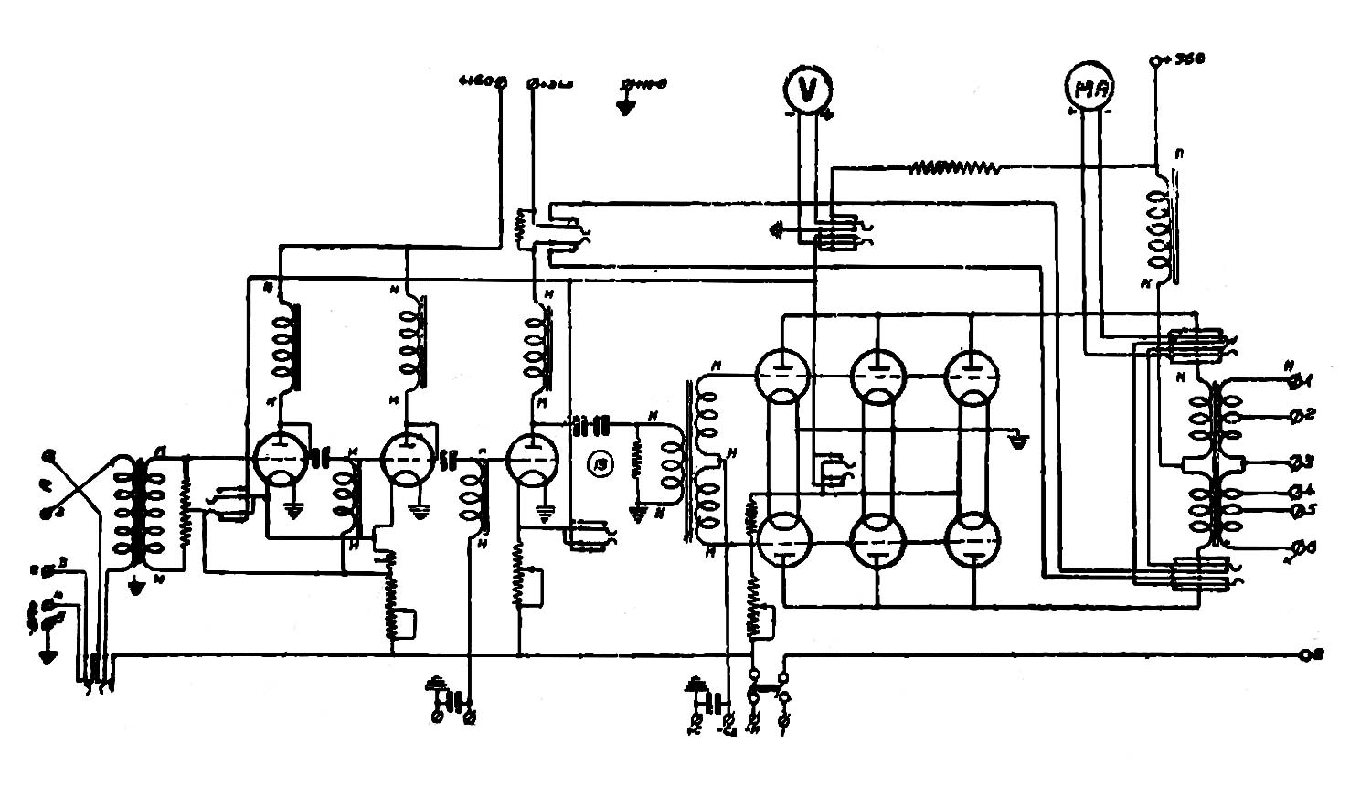
Усилитель предварительный НЧ - *УП-6* выпускался с 1931 года выпускал завод № 2 НУПП НКПТ. Усилитель предварительный *УП-6* является модернизацией предыдущих усилителей типа *УП-3* и *УП-3Н*, но без оконечных каскадов. Усилитель *УП-6* собран на 9-ти радиолампах и предназначен для предварительного усиления сигналов с приёмника и микрофона и раскачки мощных оконечных усилителей радиоузлов.